EasyManua.ls Logo

Daewoo FR-710ND - Circit Diagram

Daewoo FR-710ND
44 pages
Print Icon
To Next Page IconTo Next Page
To Next Page IconTo Next Page
To Previous Page IconTo Previous Page
To Previous Page IconTo Previous Page
Loading...
34
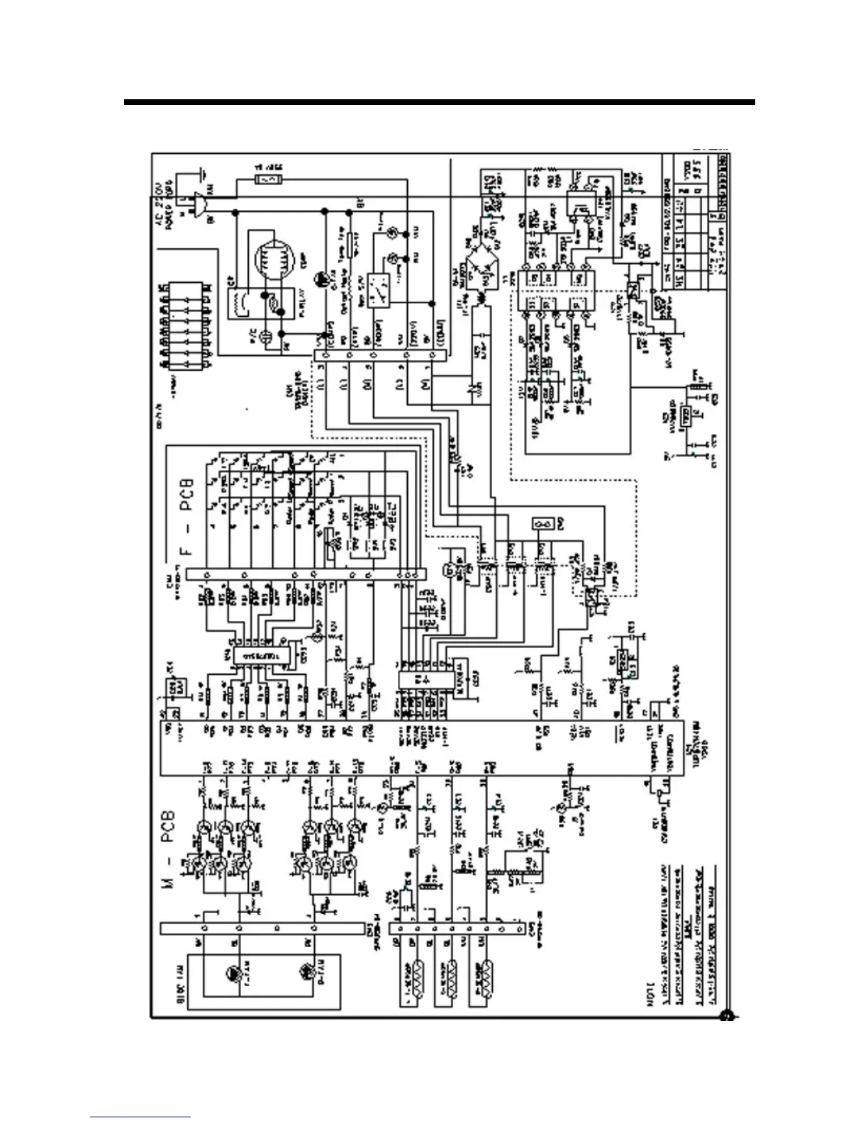
4-2. CIRCUIT DIAGRAM

Other manuals for Daewoo FR-710ND

Related product manuals