EasyManua.ls Logo

Daewoo FRS-U20FA Series - Relay Function

Daewoo FRS-U20FA Series
96 pages
Print Icon
To Next Page IconTo Next Page
To Next Page IconTo Next Page
To Previous Page IconTo Previous Page
To Previous Page IconTo Previous Page
Loading...
37
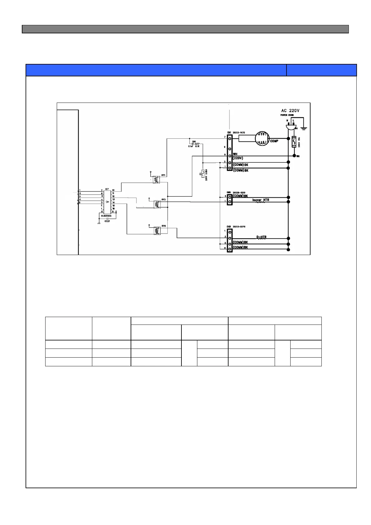
1. Circuit Diagram
#1412V
#1212V
#1012V
#140.7V
#120.7V
#100.7V
IC7#30V#35.0VRelay 3Louver Heater
OFF ConditionON Condition
#50V#55.0VRelay 5D-Heater
Relay 1
Control Mode
Method
IC7
IC ULN2004
Output pin
#15.0V
MICOM Port
#10V
MICOM Port
Comp
IC ULN2004
Output pin
Control
CONTENTS
REMARKS
5-3. Relay Function
. FRS(N)-U20IA
2. How it works;
IC1
(MICOM)
Comp
D-Heater
Louver Heater
D-Heater
Louver Heater
Comp
R-Lamp
F-Lamp

Related product manuals