EasyManua.ls Logo

Daewoo FRS-U20FA Series - Circuit Diagram of Main PCB

Daewoo FRS-U20FA Series
96 pages
Print Icon
To Next Page IconTo Next Page
To Next Page IconTo Next Page
To Previous Page IconTo Previous Page
To Previous Page IconTo Previous Page
Loading...
42
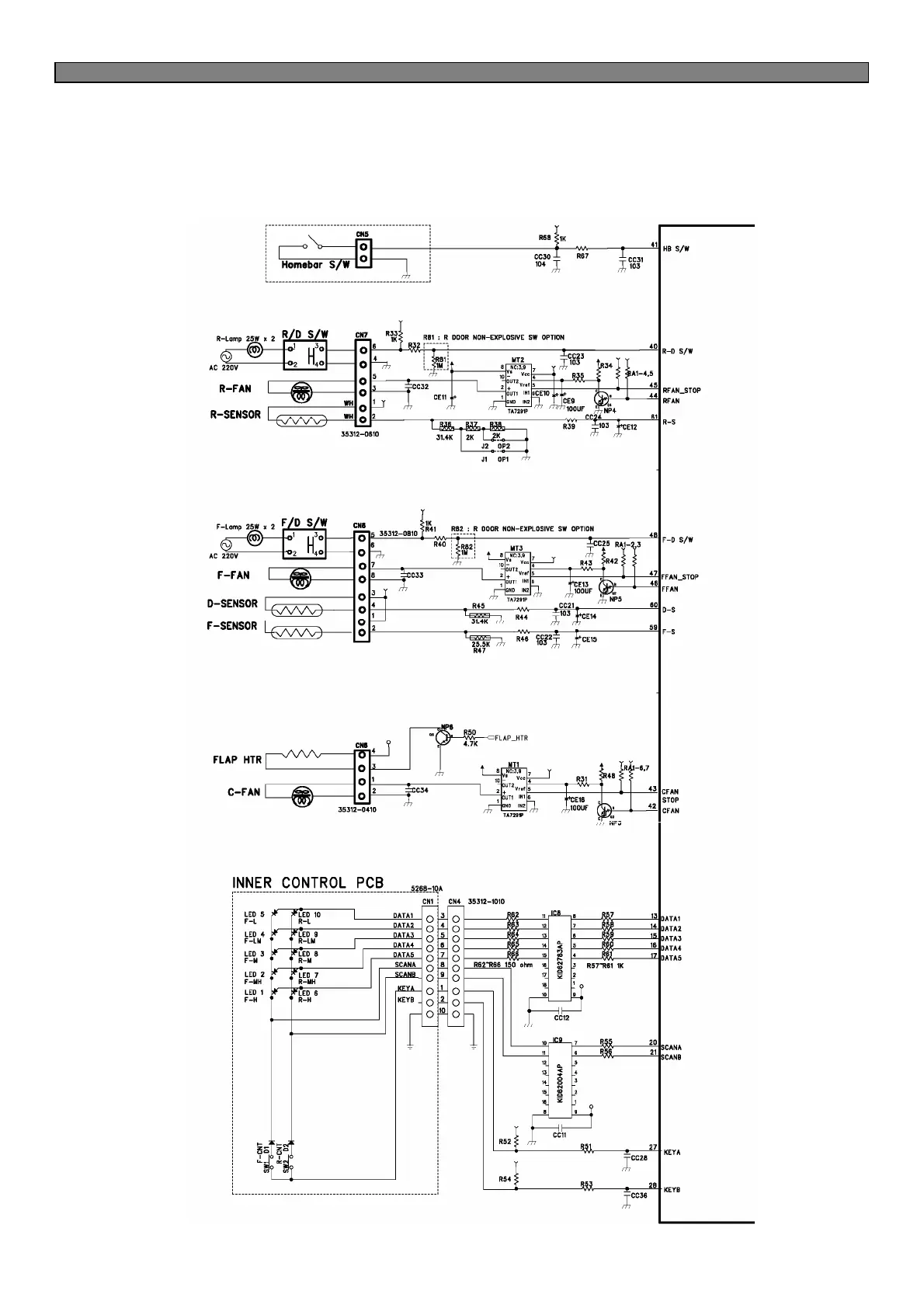
6-2. Circuit Diagram of Main PCB
FRS(N)-U20IA

Related product manuals