EasyManua.ls Logo

Daewoo GC20SC-2 - Chapter 6 MI-04 Electrical Connections

Daewoo GC20SC-2
88 pages
Print Icon
To Next Page IconTo Next Page
To Next Page IconTo Next Page
To Previous Page IconTo Previous Page
To Previous Page IconTo Previous Page
Loading...
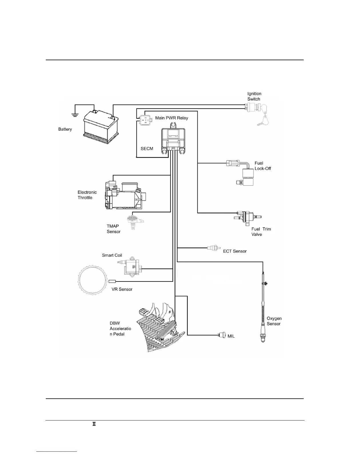
G420E/G424E Tier LP Engine Electrical Connections 60
CHAPTER 6 MI-04 ELECTRICAL CONNECTIONS
Figure E1

Table of Contents

Related product manuals