EasyManua.ls Logo

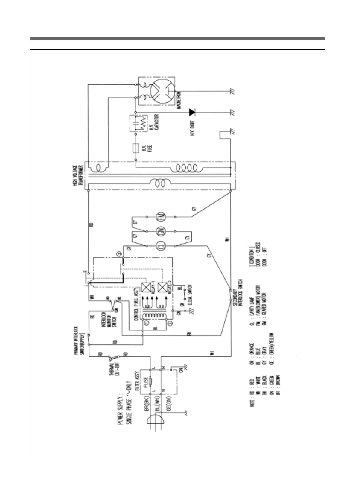
Daewoo KOR-6C0B5S - Wiring Diagram

Daewoo KOR-6C0B5S
33 pages
Print Icon
To Next Page IconTo Next Page
To Next Page IconTo Next Page
To Previous Page IconTo Previous Page
To Previous Page IconTo Previous Page
Loading...
WIRING DIAGRAM
24

Related product manuals