EasyManua.ls Logo

Daewoo TAC-07HRA/E1 - Page 14

Daewoo TAC-07HRA/E1
60 pages
Print Icon
To Next Page IconTo Next Page
To Next Page IconTo Next Page
To Previous Page IconTo Previous Page
To Previous Page IconTo Previous Page
Loading...
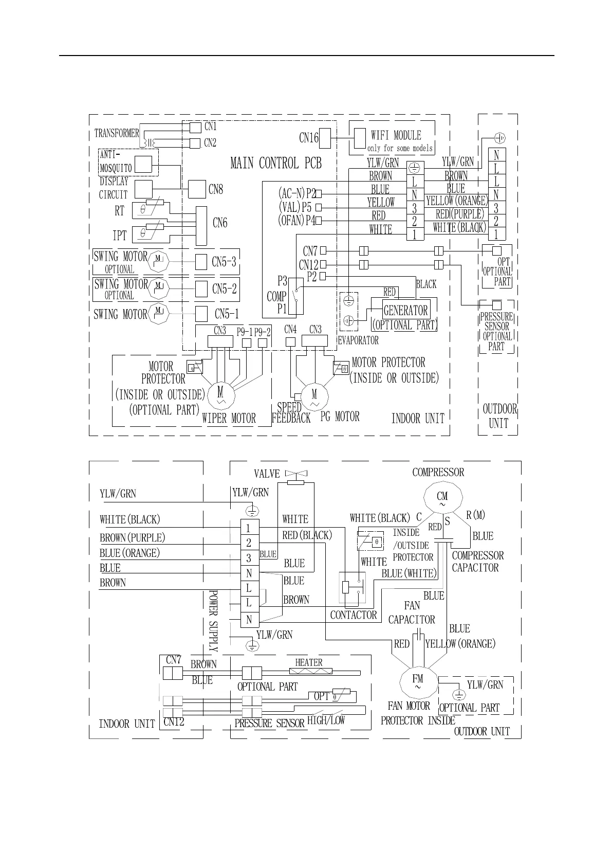
Air Conditioner Service Manual
13
MODEL:TAC-28HRA/E1/TACO-28HRA/E1
INDOOR UNIT:
OUTDOOR UNIT

Related product manuals