EasyManua.ls Logo

Daewoo WP-895 - Str - F6653; General Description; Features; Block Diagram

Daewoo WP-895
102 pages
Print Icon
To Next Page IconTo Next Page
To Next Page IconTo Next Page
To Previous Page IconTo Previous Page
To Previous Page IconTo Previous Page
Loading...
- 39 -
Service manual WP 895/895F, CP885/885F, CP485F
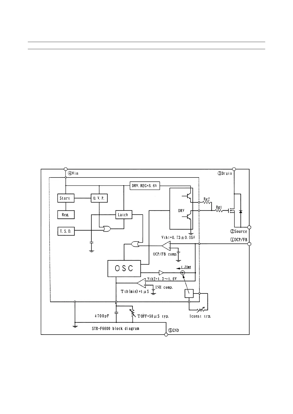
4-8 STR - F6654
4-8-1 General description
The STR-F6654 is an hybrid IC with a build-in MOSFET and control IC, designed for flyback converter type switch
mode power supply applications.
4-8-2 Features
- Small SIP fully isolated molded 5 pins package
- Many protection functions :
* Pulse-by-pulse overcurrent protection (OCP)
* Overvoltage protection with latch mode (OVP)
* Thermal protection with latch mode (TSD)
4-8-3 Block diagram

Table of Contents