EasyManua.ls Logo

Daewoo WP-895 - 5 Circuit Description; Block Diagram

Daewoo WP-895
102 pages
Print Icon
To Next Page IconTo Next Page
To Next Page IconTo Next Page
To Previous Page IconTo Previous Page
To Previous Page IconTo Previous Page
Loading...
- 42 -
Service manual WP 895/895F, CP885/885F, CP485F
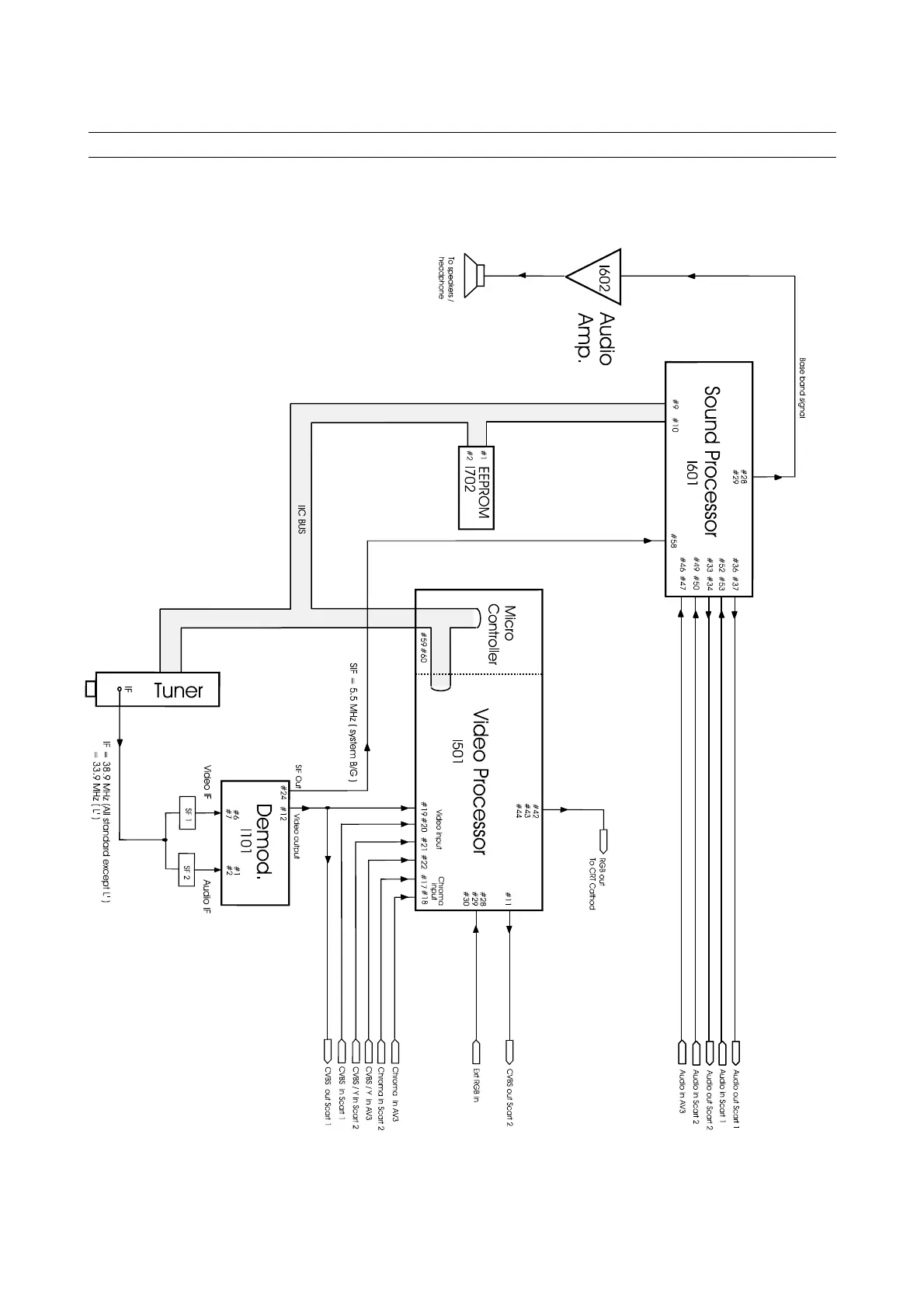
5 - Circuit description
5-1 Block diagram

Table of Contents