EasyManua.ls Logo

Daiichi Electronics WTT2-92A-12 - Mounting Method

Default Icon
18 pages
Print Icon
To Next Page IconTo Next Page
To Next Page IconTo Next Page
To Previous Page IconTo Previous Page
To Previous Page IconTo Previous Page
Loading...
Q-222-036
4
1. Features of product
Complied to JIS C 1111:2019 and IEC 60688:2012
Free power supply specifications compatible with 80 to 264 VAC and 80 to 264 VDC, and 24 VDC/48 VDC
power supply specifications are available.
Power consumption and weight have been reduced by about 50% compared to our conventional products.
Compatible with two types of mounting methods for IEC/DIN rail mounting and wall mounting.
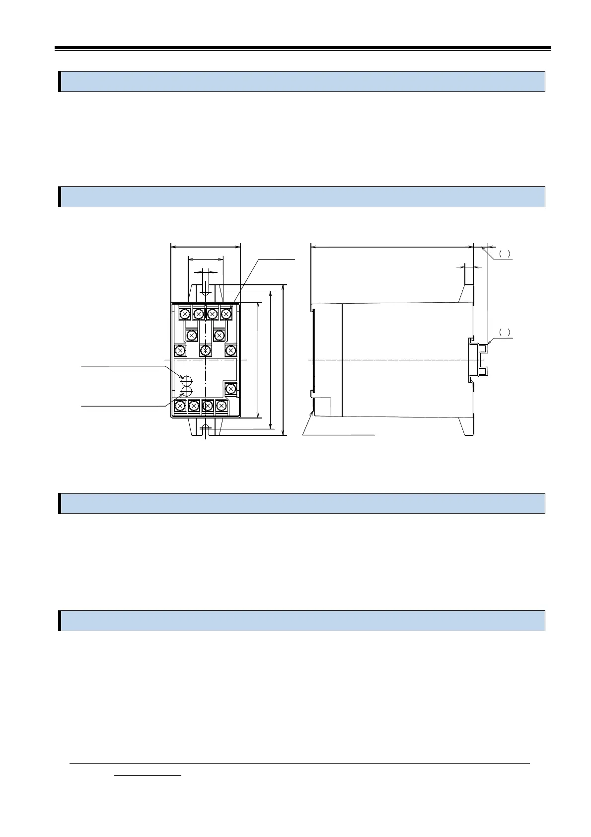
2. Outline dimension
Please refer to the wiring diagram for the terminal arrangement.
(12.5)
BIAS adjustment VR
(With VR cap)
MAX. adjustment VR
(With VR cap)
Terminal cover
92
110
120
56
28
5
130
M4screw
7
1
1
Note(
) Dimensions when IEC/DIN rail (height 15mm) is installed. (Please use a rail with a width of 35mm)
The terminal cover is standard equipment.
3. Bundled items
① Inspection certificate:1 (Packed in an envelope)
② Terminal screw in a bag. WTT2-92A-12 M4 screw 4-piece set:1, M4 screw 5-piece set:1
WTT2-92A-13 M4 screw 5-piece set:1, M4 screw 7-piece set:1
WTT2-92A-33 M4 screw 5-piece set:1, M4 screw 7-piece set:1
WTT2-92A-34 M4 screw 7-piece set:2
4. Mounting method
Please install indoors in a place with low mechanical vibration, dust, and corrosive gas.
And, please select indoors that are not affected by a strong electromagnetic field by large current bus,
saturable reactor etc. in the vicinity. There is no restriction on mounting position.
Mounting can be done on 35mm width DIN rail mounting or screw mounting.
For screw mounting, please install with M4 screw or M5 screw. (However, the screw is not attached.
The tightening torque of a screw, M4:1.00 to 1.30N・m, M5:2.0 to 2.5N・m)
There is no particular rule for the side-by-side spacing.
Considering heat dissipation and wiring space, please leave 90mm or more space between the top and bottom.
Please leave space between terminal and metal panel for 10mm or more.
<Caution> Be sure to turn off the power and input signals before installing or removing the product to
prevent danger.