EasyManua.ls Logo

Daikin EBBX-D9W - Piping Diagram: Indoor Unit

Daikin EBBX-D9W
316 pages
Print Icon
To Next Page IconTo Next Page
To Next Page IconTo Next Page
To Previous Page IconTo Previous Page
To Previous Page IconTo Previous Page
Loading...
17 | Technical data
Installer reference guide
293
ERLA11~16D + EBBH/X11+16D
Daikin Altherma 3 R W
4P643603-1B – 2022.05
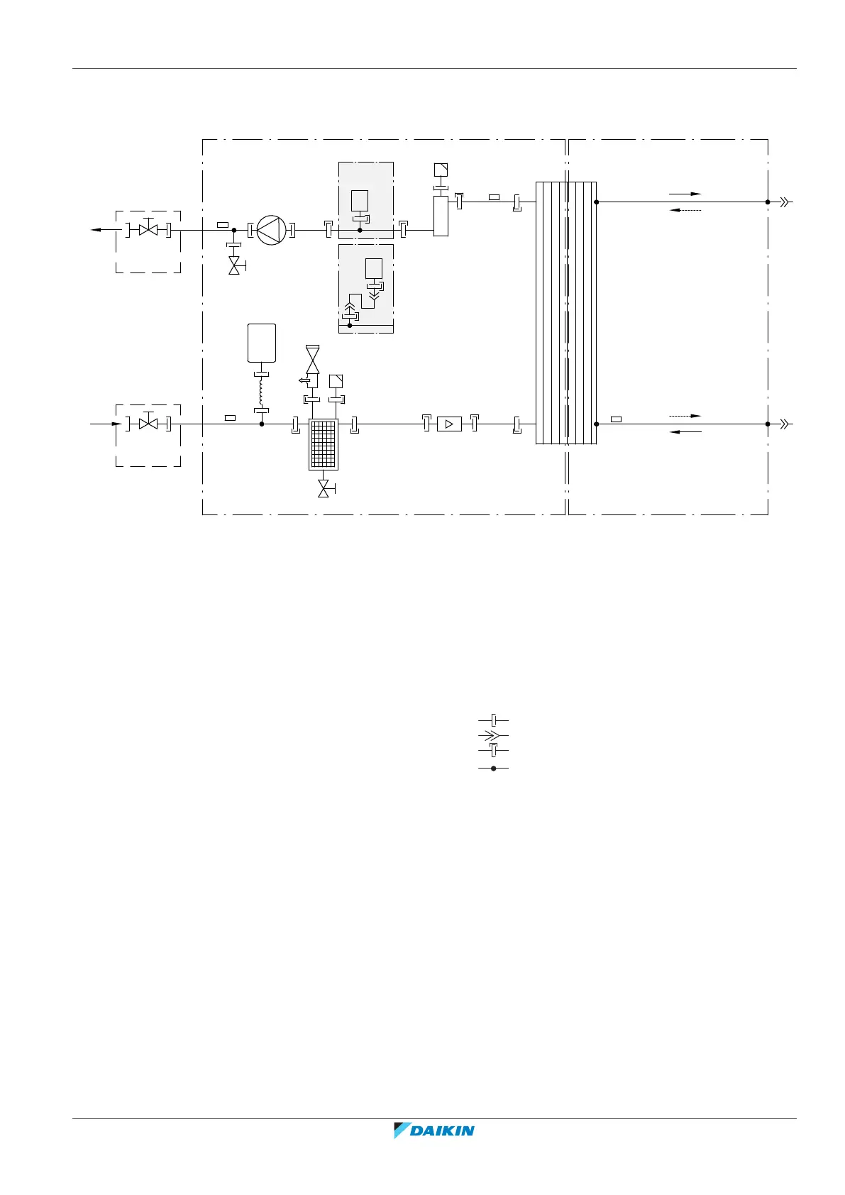
17.3 Piping diagram: Indoor unit
A
C
e
e
C
g
j
h
l
a2
a1
i
k
f
d
i
c1
b2
c2
b1
B
j
3D113750
R2T
R4T
B1PW
EBBH*
EBBX*
B1PW
B2L
R1T
R3T
A Water side B1PW Space heating water pressure sensor
B Refrigerant side B2L Flow sensor
C Field installed
a1 Space heating/cooling – Water IN (screw
connection, 1")
Thermistors:
a2 Space heating/cooling – Water OUT (screw
connection, 1")
R1T Heat exchanger – Water OUT
b1 Gas refrigerant IN (heating mode; condenser) R2T Backup heater – Water OUT
b2 Liquid refrigerant OUT (heating mode; condenser) R3T Liquid refrigerant
c1 Liquid refrigerant IN (cooling mode; evaporator) R4T Heat exchanger – Water IN
c2 Gas refrigerant OUT (cooling mode; evaporator)
d Plate heat exchanger Connections:
e Shut-off valve for service Screw connection
f Expansion vessel Flare connection
g Magnetic filter/dirt separator Quick coupling
h Safety valve Brazed connection
i Automatic air purge
j Drain valve
k Backup heater
l Pump

Table of Contents

Related product manuals