EasyManua.ls Logo

Daikin FCQG60FVEB - Page 72

Daikin FCQG60FVEB
462 pages
To Next Page IconTo Next Page
To Next Page IconTo Next Page
To Previous Page IconTo Previous Page
To Previous Page IconTo Previous Page
Loading...
Indoor Unit SiBE121135
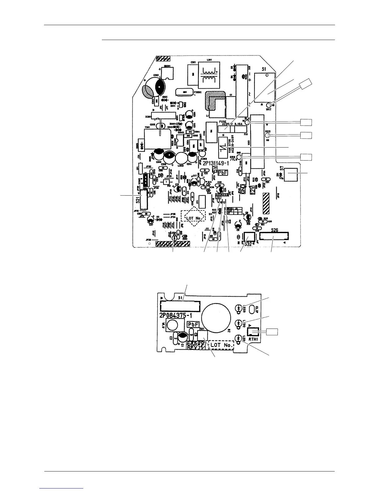
60 Printed Circuit Board Connector Wiring Diagram
PCB Detail PCB (1): Control PCB
PCB (2): Display PCB
S1
H2
S7
S26
S32
JCJBJA
S21
2P131149-1
LED A
FU1
H1
H3
V1
GND
S1
LED3
LED2
LED1
SW1
2P084375-1
RTH1

Table of Contents

Other manuals for Daikin FCQG60FVEB

Related product manuals