EasyManua.ls Logo

Daikin FTKE25BVM - Outdoor Units

Daikin FTKE25BVM
298 pages
Print Icon
To Next Page IconTo Next Page
To Next Page IconTo Next Page
To Previous Page IconTo Previous Page
To Previous Page IconTo Previous Page
Loading...
Wiring Diagrams Si12-411A
276 Appendix
2.2 Outdoor Units
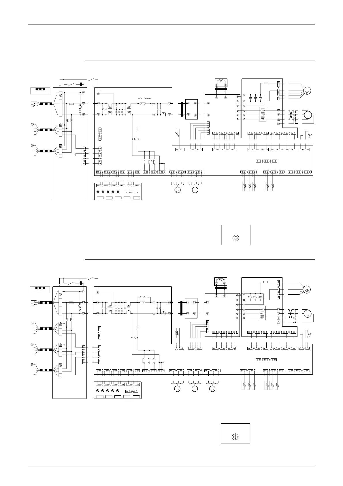
2.2.1 Cooling only
2MKD58BVM
3MKD58/75BVM, 3MKD75BVMA
ROOM A
ROOM B
TO INDOOR UNIT
~60Hz 220-230V
~50Hz 220-240V
3
3
2
2
POWER SUPPLY
1
1
FIELD WIRING
V2~V5
MRC/W
MID1~MID2
MRB
,
MRD
S2~S102
E
,
AC1
,
AC2
L2
,
HE
,
HL
,
HN
Y1E~Y2E
R1T~R12T
H1P~H5P
Z1C~Z3C
MRM10
,
MRM20
X1M~X3M
H1
,
H2
,
L1
FU1
,
FU2
,
FU201
X3M
X2M
X1M
L
3
3
2
2
N
1
1
:
:
:
:
:
:
:
:
:
:
:
FUSE
VARISTOR
CONNECTOR
MOLDED INTER CONNECT DEVICE
CONNECTOR
MAGNETIC RELAY
ELECTRONIC EXPANSION VALVE COIL
THERMISTOR
PILOT LAMP
FERRITE CORE
TERMINAL STRIP
GRN
30A
FU1
YLW
SA1
MID1
V3
Z3C
HE
1
7
HL
S11
HN
GRN
WHT
WHT
WHT
WHT
RED
BLK
YLW
AC2
AC1
H5P
1
E
1
S2W
S10
S15
BLU
V2
BLU
H4P
7
1
5
1
BLU
BLU
H3P
S5W
S51
S52
BLU
BLU
S4W
S3W
S5W
S2W
N
L
PCB
SPM
S1W
H2P
SA1
CT1
DB1
M1F
M1C
Q1L
L1R
BLU
BLU
S1W
H1P
:
:
:
:
:
:
:
:
:
:
:
:
:
:
:
:
BLU
BLU
OVERLOAD PROTECTOR
FAN MOTOR
LIVE
SURGE ARRESTER
SELECT SW
(
SW2
)
SYSTEM POWER MODULE
FORCED OPERATION ON/OFF SW
(
SW1
)
NEUTRAL
REACTOR
CURRENT TRANSFORMER
COMPRESSOR MOTOR
DIODE BRIDGE
NIGHT QUIET MODE SETTING SW
(
SW5
)
WIRING ERROR CHECK SW
(
SW3
)
PRINTED CIRCUIT BOARD
PRIORITY ROOM SETTING SW
(
SW4
)
BLU
12
S2
12
BLU
S3W
1
1
RED
S102
S101
BLK
V5
S4W
WHT
5
5
GRN
MRM20
MRM10
FU2
3.15A
MRB
1
MRD
MRC
W
S80
CT1
9
H2
H1
S91
1
WHT
YLW
BLU
t°
YLW
Y1E
S20
R12T
1
M
A
ORG
BLK
Z2C
BLU
3
BRN
6
RED
1
~
WHT
~
DB1
1
BLK
YLW
+
-
Y2E
S21
BLK
M
B
ORG
BLK
BLU
BLK
RED
PCB
BLK
BRN
5
6
BLK
RED
S32
CN11
5
1
+
-
ORG
L1
1
1
BLK
BLK
SPM
BLK
TERMINALS OF THE COMP.
ASSIGNMENTS OF
BLK
CN14
BLK
ORG
L2
BLK
L1R
Z1C
V
BLK
BLK
P2
W
9
N1
P1
U
W
V
U
BLK
10
(
OUTDOOR
)
S31
N
R3T
1
(
CONDENSER
)
BLU
MID2
TB6
TB4
t°
TB5
P2
N1
P1
R2T
S90
GRY
1
1
(
DISCHARGE
)
WHT
t°
+
R1T
S6
ORG
BLK
6
BRN
t°
S71
+
S72
1
BLU
+
(
ROOM-A
)
FU201
3.15A
R8T
1
(
GAS PIPE
)
BLK
8
8
RED
t°
R9T
GRY
1
1
S92
S70
(
ROOM-B
)
BRN
t°
8
W
V
U
N
1
7
RED
S33
S34
8
YLW
WHT
RED
ORG
BLU
BRN
BLU
BRN
RED
YLW
1
X11A
10
10
BLU
3D034318D
S93
YLW
BRN
BLU
RED
1
GRY
S40
V
1
M1F
M1C
3
M
BLK
M
4
W
U
Q1L
BLK
9
N
ROOM A
ROOM B
ROOM C
TO INDOOR UNIT
3
3
3
2
2
2
POWER SUPPLY
1
1
1
FIELD WIRING
~60Hz 220-230V
~50Hz 220-240V
V2~V5
MRC/W
MRB
,
MRD
S2~S102
E
,
AC1
,
AC2
L2
,
HE
,
HL
,
HN
Y1E~Y3E
R1T~R12T
H1P~H5P
Z1C~Z3C
MRM10
,
MRM20
X1M~X4M
H1
,
H2
,
L1
MID1~MID2
FU1
,
FU2
,
FU201
X3M
X4M
X2M
X1M
L
3
3
3
2
2
2
N
1
1
1
:
:
:
:
:
:
:
:
:
:
:
FUSE
VARISTOR
CONNECTOR
CONNECTOR
MAGNETIC RELAY
MOLDED INTER CONNECT DEVICE
ELECTRONIC EXPANSION VALVE COIL
THERMISTOR
PILOT LAMP
FERRITE CORE
TERMINAL STRIP
GRN
30A
FU1
YLW
SA1
MID1
V3
Z3C
HE
1
7
HL
S11
HN
GRN
WHT
WHT
WHT
WHT
RED
BLK
YLW
AC2
AC1
H5P
1
E
1
S2W
S10
S15
BLU
V2
BLU
H4P
7
1
5
1
BLU
BLU
H3P
S5W
S51
S52
BLU
BLU
S4W
S3W
S5W
S2W
N
L
PCB
SPM
S1W
H2P
SA1
CT1
DB1
M1F
M1C
Q1L
L1R
BLU
BLU
S1W
H1P
:
:
:
:
:
:
:
:
:
:
:
:
:
:
:
:
BLU
BLU
OVERLOAD PROTECTOR
FAN MOTOR
LIVE
SURGE ARRESTER
SELECT SW
(
SW2
)
SYSTEM POWER MODULE
FORCED OPERATION ON/OFF SW
(
SW1
)
NEUTRAL
REACTOR
CURRENT TRANSFORMER
COMPRESSOR MOTOR
DIODE BRIDGE
NIGHT QUIET MODE SETTING SW
(
SW5
)
WIRING ERROR CHECK SW
(
SW3
)
PRINTED CIRCUIT BOARD
PRIORITY ROOM SETTING SW
(
SW4
)
BLU
12
S2
12
BLU
S3W
1
1
RED
S102
S101
BLK
V5
S4W
WHT
5
5
GRN
MRM20
MRM10
FU2
3.15A
MRB
1
MRD
MRC
W
S80
CT1
9
H2
H1
S91
1
WHT
YLW
BLU
t°
YLW
Y1E
S20
R12T
1
M
A
ORG
BLK
Z2C
BLU
3
BRN
6
RED
1
~
WHT
~
DB1
1
BLK
YLW
+
-
Y2E
S21
BLK
M
B
ORG
BLK
BLU
BLK
RED
PCB
BLK
BRN
5
6
BLK
RED
S32
1
CN11
WHT
5
YLW
1
Y3E
S22
+
-
M
C
ORG
ORG
L1
1
1
BLU
BLK
BRN
BLK
6
SPM
RED
BLK
TERMINALS OF THE COMP.
ASSIGNMENTS OF
BLK
CN14
BLK
ORG
L2
BLK
L1R
Z1C
V
BLK
BLK
P2
W
9
N1
P1
U
W
V
U
BLK
10
(
OUTDOOR
)
S31
N
R3T
1
(
CONDENSER
)
BLU
MID2
TB6
TB4
t°
TB5
P2
N1
P1
R2T
S90
GRY
1
1
(
DISCHARGE
)
WHT
t°
+
R1T
S6
ORG
BLK
6
BRN
t°
S71
+
S72
1
BLU
+
(
ROOM-A
)
FU201
3.15A
R8T
1
BLK
8
8
(
ROOM-B
)
RED
t°
R9T
(
GAS PIPE
)
GRY
1
1
S92
S70
(
ROOM-C
)
BRN
t°
8
R10T
W
V
U
N
1
7
BRN
t°
RED
S33
S34
8
YLW
WHT
RED
ORG
BLU
BRN
BLU
BRN
RED
YLW
1
3D034317D
X11A
10
10
BLU
S93
YLW
BRN
BLU
RED
1
GRY
S40
V
1
M1F
M1C
3
M
BLK
M
4
W
U
Q1L
BLK
9
N

Table of Contents

Other manuals for Daikin FTKE25BVM

Related product manuals