EasyManua.ls Logo

Daikin MPS020B - Page 18

Daikin MPS020B
52 pages
Print Icon
To Next Page IconTo Next Page
To Next Page IconTo Next Page
To Previous Page IconTo Previous Page
To Previous Page IconTo Previous Page
Loading...
IM 972-2 • MAVERICK I ROOFTOP SYSTEMS 18 www.DaikinApplied.com

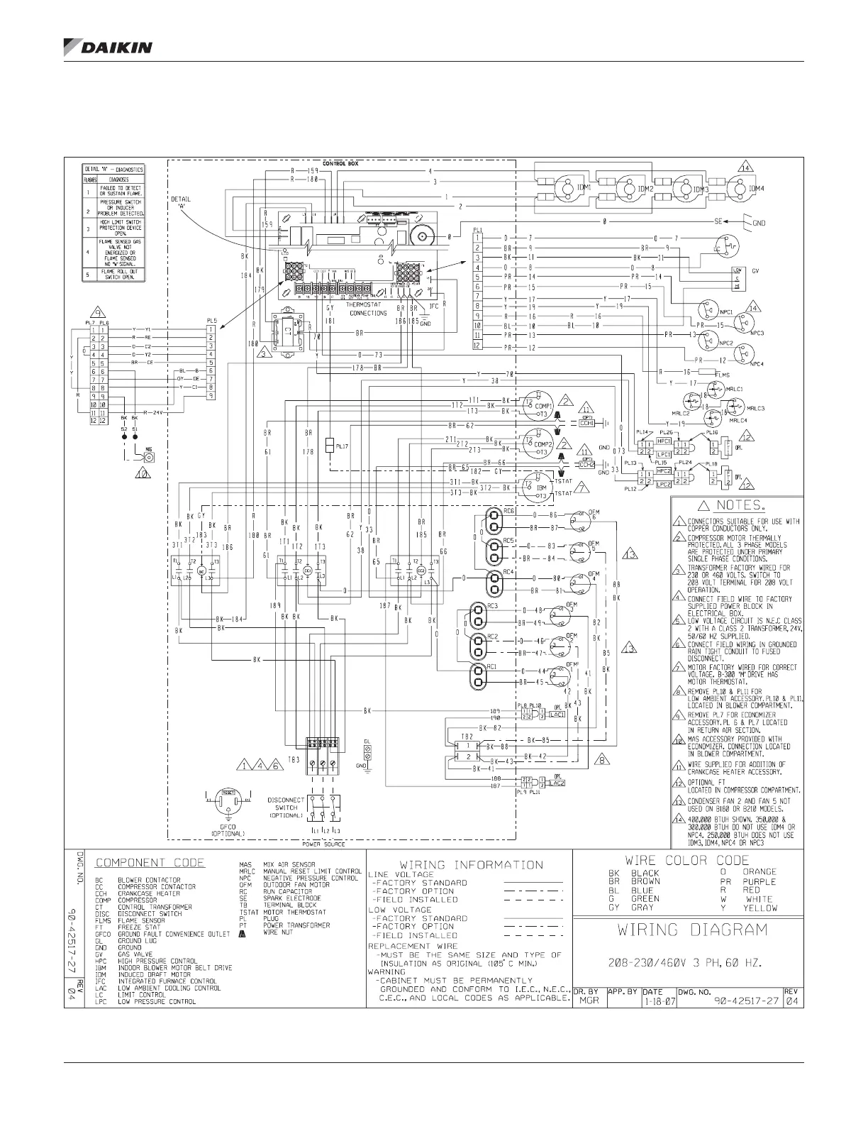
Figure 19: Wiring Diagram: MPS 015B – 025B, 208-230/460 V (Gas Heat)

Table of Contents

Related product manuals