EasyManua.ls Logo

Dalla Corte SUPER MINI - Page 9

Dalla Corte SUPER MINI
9 pages
Print Icon
To Previous Page IconTo Previous Page
To Previous Page IconTo Previous Page
Loading...
9
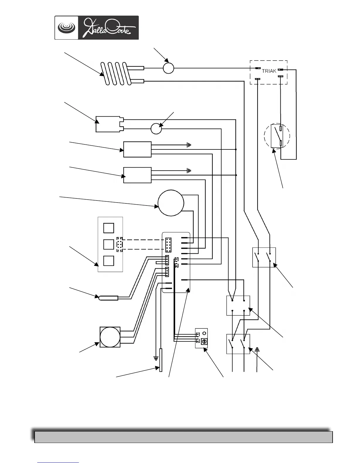
USER’S MANUAL LII REV. 03
EV GROUP
EV BOILER
LEVEL
PUMP
KEYBOARD
GROUP
RESISTANCE
GROUP TEMP.
PROBE
VOLUMETRIC
COUNTER
BOILER LEVEL
PROBE
TEMPERATURE
REGULATION
BOILER
SWITCH
TERMINAL
BOARD
PRESSOSTAT
SECURITY
THERMOSTAT
GENERAL
SWITCH
CENTRAL
CONTROL UNIT

Related product manuals