EasyManua.ls Logo

D&R Airlab - Page 77

D&R Airlab
115 pages
Print Icon
To Next Page IconTo Next Page
To Next Page IconTo Next Page
To Previous Page IconTo Previous Page
To Previous Page IconTo Previous Page
Loading...
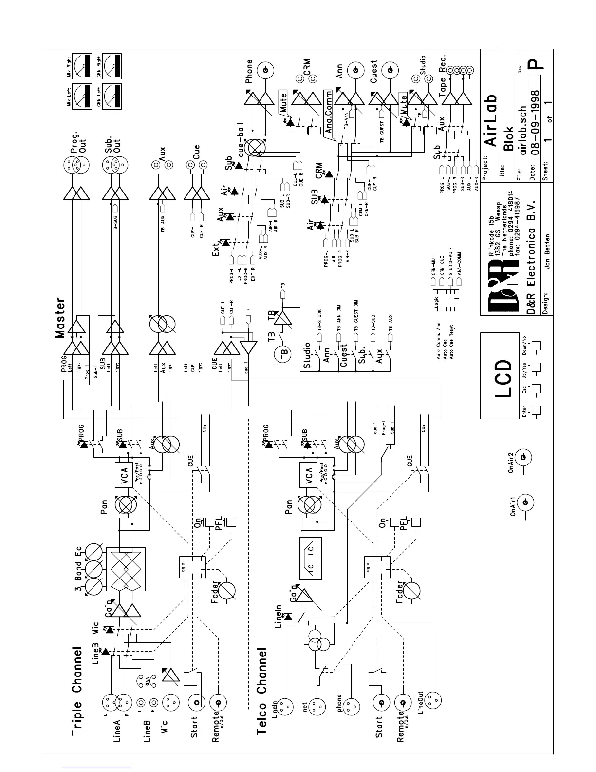
Airlab.sch-1 - Fri Aug 20 14:30:15 1999

Table of Contents

Related product manuals