EasyManua.ls Logo

DAS Vantec Series - Amplifier

DAS Vantec Series
38 pages
Print Icon
To Next Page IconTo Next Page
To Next Page IconTo Next Page
To Previous Page IconTo Previous Page
To Previous Page IconTo Previous Page
Loading...
23 Vantec series User's Manual
Vantec Series | Amplifier
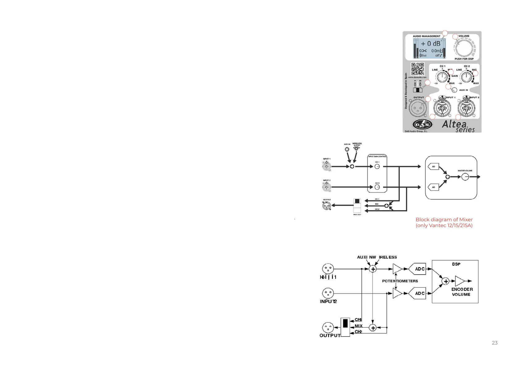
Description: VANTEC-12A / 15A / 215A
1. MASTER VOLUMEN AND DSP CONTROL:
Use the encoder to select the desired output volume and push/hold it to access to the different DSP and cabinet
settings.
2. MAIN SCREEN:
In the main screen all selected parameters and settings are shown. Besides this, there are two input level
indicators on the left , one output level indicator on the right and the center area is reserved to display messages
as Input Clip or Limit.
3. INPUT CONNECTORS:
1/4” Jack+XLR combined socket-type input signal connectors. This is a balanced connector just like the LOOP
THRU connector with the following pin assignments:
1 or S =GND (ground).
2 or T =(+) Non inverted input.
3 or R =(-) Inverted input.
4. OUTPUT:
XLR-type output signal connector for connecting several units together and sending them all the same signal.
The user can select the signal going out; can be Ch1, Ch2 or MIX (see 6).
5. INPUT GAIN CONTROL:
For channels 1, 2 and AUX IN, gain control, line and microphone.
Note: Wireless Audio Signal is controlled with gain knob 1.
6. OUTPUT MIXSELECTOR:
It allows the user to select which input channel signal to be sent to other cabinets. User can select Ch1, Ch2 or
both (Mix).
7. AUX IN:
3.5 mm audio jack input for connecting external audio media devices, such as MP3 players. The input source is
controlled with Gain control 1.
Block diagram of Mixer
(only Vantec 12/15/215A)
Block diagram of Mixer
(only Vantec 12/15/215A with
Firmware v2.X)
VANTEC-12A / 15A / 215A
1
2
6
5
5
7
4
3
3

Related product manuals