EasyManua.ls Logo

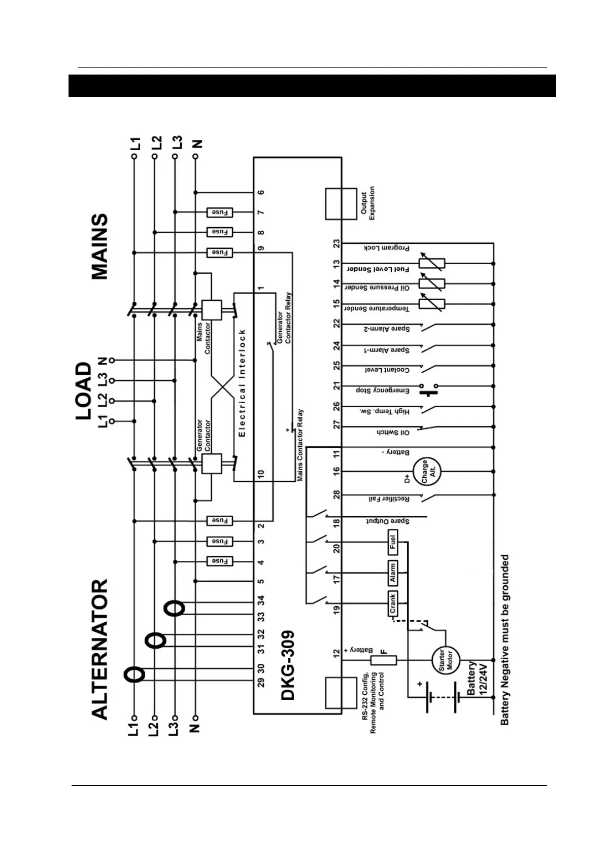
Datakom DKG-309 - 17 Connection Diagram

Datakom DKG-309
48 pages
Print Icon
To Next Page IconTo Next Page
To Next Page IconTo Next Page
To Previous Page IconTo Previous Page
To Previous Page IconTo Previous Page
Loading...
DKG-309 User Manual V-02
(11.05.2009)
- 47 -
15. CONNECTION DIAGRAM