EasyManua.ls Logo

Davey ChloroMatic MCS16C - Page 17

Davey ChloroMatic MCS16C
20 pages
Print Icon
To Next Page IconTo Next Page
To Next Page IconTo Next Page
To Previous Page IconTo Previous Page
To Previous Page IconTo Previous Page
Loading...
17
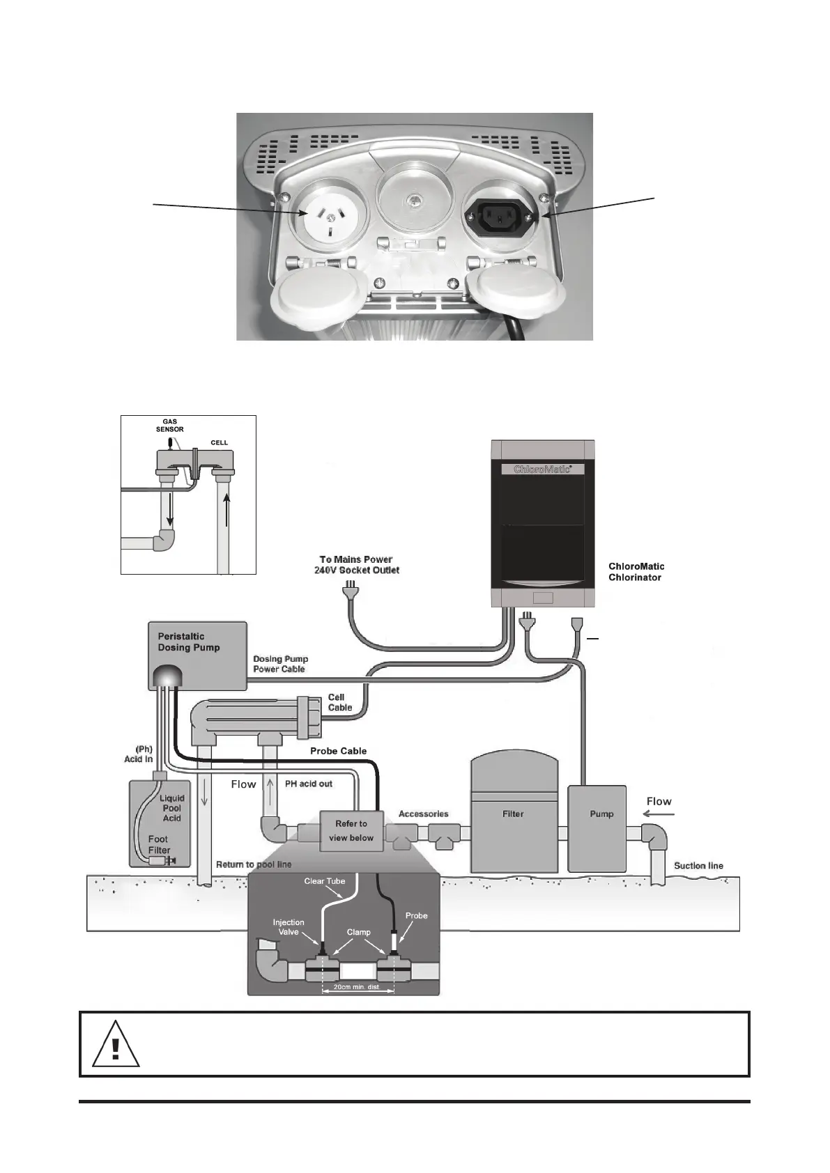
CHLOROMATIC CONTROLLER WITH pH CONNECTOR (BASE)
CONNECTION DIAGRAM FOR THE ESC pH SYSTEM
The ESC pH system should ideally be plumbed and connected up as shown in the diagram below.
Socket for
Pool Pump
IEC Female
Socket for pH
Dosing Pump
Model: M5135
Flow
Flow
IEC Male Plug from
pH Dosing Pump
Model: M5138
M5138
Example of
ESC50
NOTE: Never connect your pH pump direct to mains power. Always connect it to the chlorinator
power supply either via the IEC female socket (model: M5135) or 3-pin pool pump socket
(model: M5138), so it operates during the preset ltration timer cycles on your chlorinator.
NB: The pH probe must be located
before a heater or an electrolyser.

Related product manuals