EasyManua.ls Logo

dB PM 1000 - Page 93

Default Icon
101 pages
Print Icon
To Next Page IconTo Next Page
To Next Page IconTo Next Page
To Previous Page IconTo Previous Page
To Previous Page IconTo Previous Page
Loading...
DB ELETTRONICA TELECOMUNICAZIONI S.p.A.
PM 1000 – 1 kW FM Broadcasting Transmitter - USER’S MANUAL
93 /101
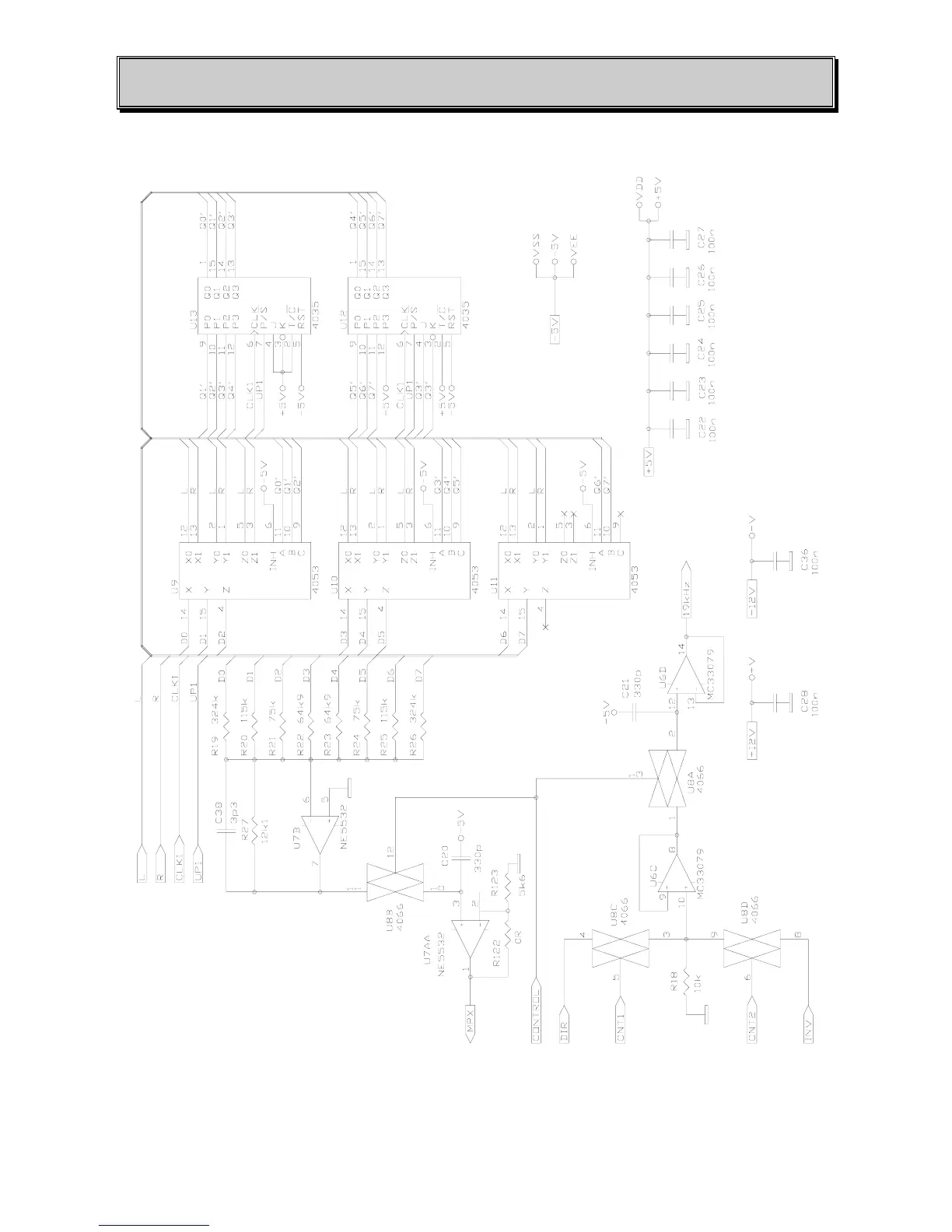
Fig. 11.8 - 38 KHz STAGE ELECTRICAL SCHEMATIC