EasyManua.ls Logo

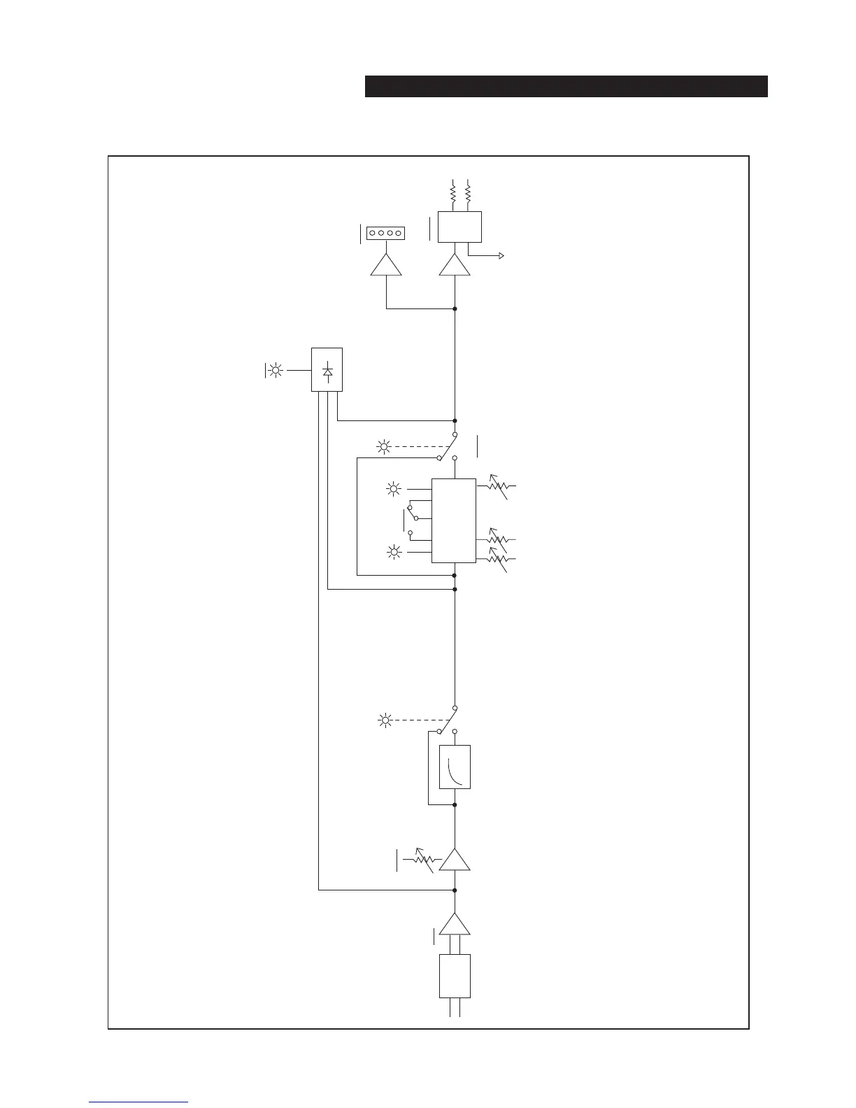
dbx 1215 - Block Diagram

dbx 1215
44 pages
Print Icon
To Next Page IconTo Next Page
To Next Page IconTo Next Page
To Previous Page IconTo Previous Page
To Previous Page IconTo Previous Page
Loading...
OPERATION MANUAL
39
12 SERIES GRAPHIC EQUALIZERS
.....
40Hz
GRAPHIC
EQ
20Hz
20kHz
EQ
Bypass
±6dB ±15dB
Range
CLIP
Input
Gain
Input
Output
Level
RF Filter
RF
Filter
Output
dbx 1231 Graphic Equalizer
Block Diagram

Other manuals for dbx 1215

Related product manuals