EasyManua.ls Logo

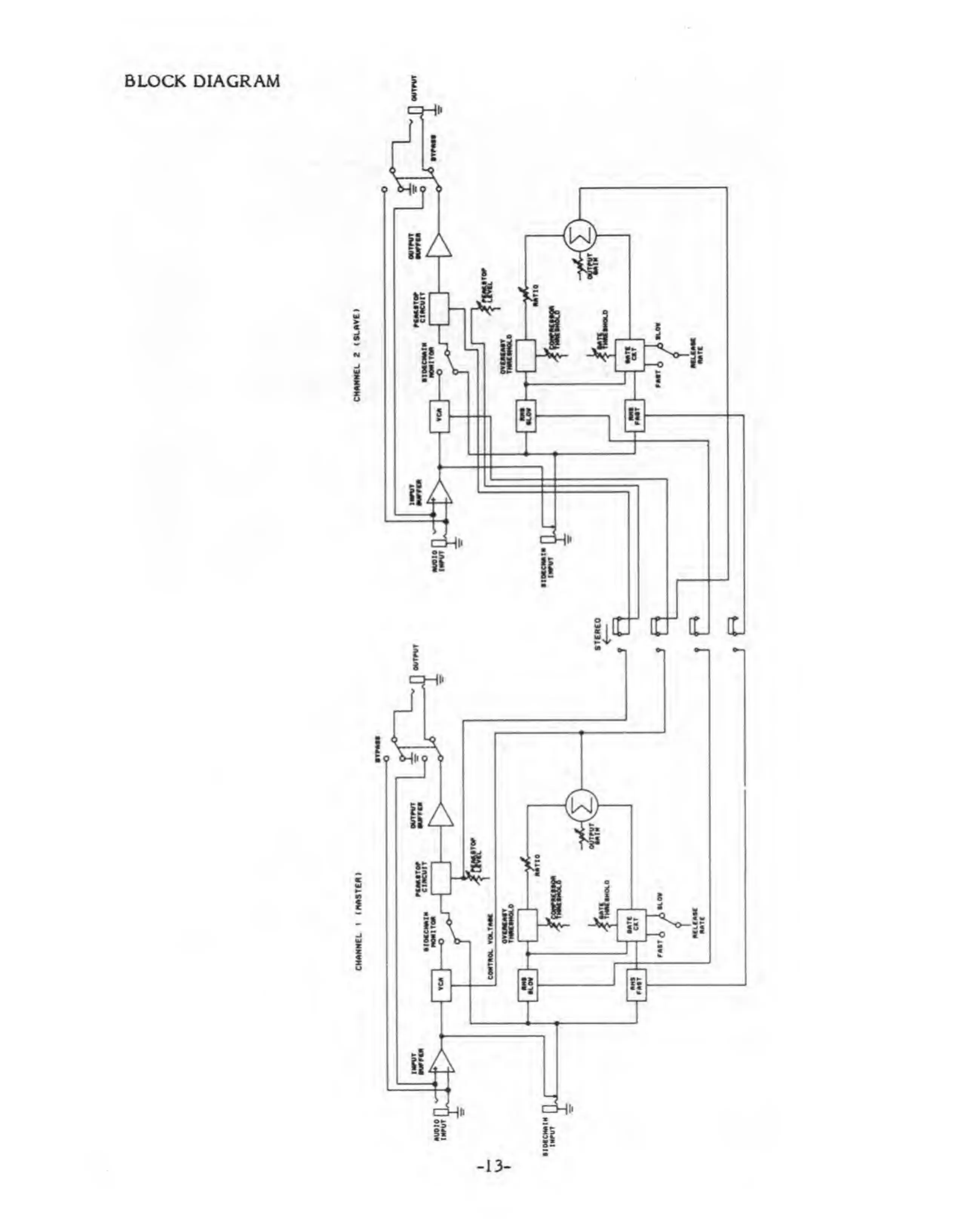
dbx 166 - Block Diagram

dbx 166
17 pages
Print Icon
To Next Page IconTo Next Page
To Next Page IconTo Next Page
To Previous Page IconTo Previous Page
To Previous Page IconTo Previous Page
Loading...
w

Other manuals for dbx 166

Related product manuals