EasyManua.ls Logo

dbx 266xs - Block Diagram

dbx 266xs
16 pages
Print Icon
To Next Page IconTo Next Page
To Next Page IconTo Next Page
To Previous Page IconTo Previous Page
To Previous Page IconTo Previous Page
Loading...
Section A
Appendix
11
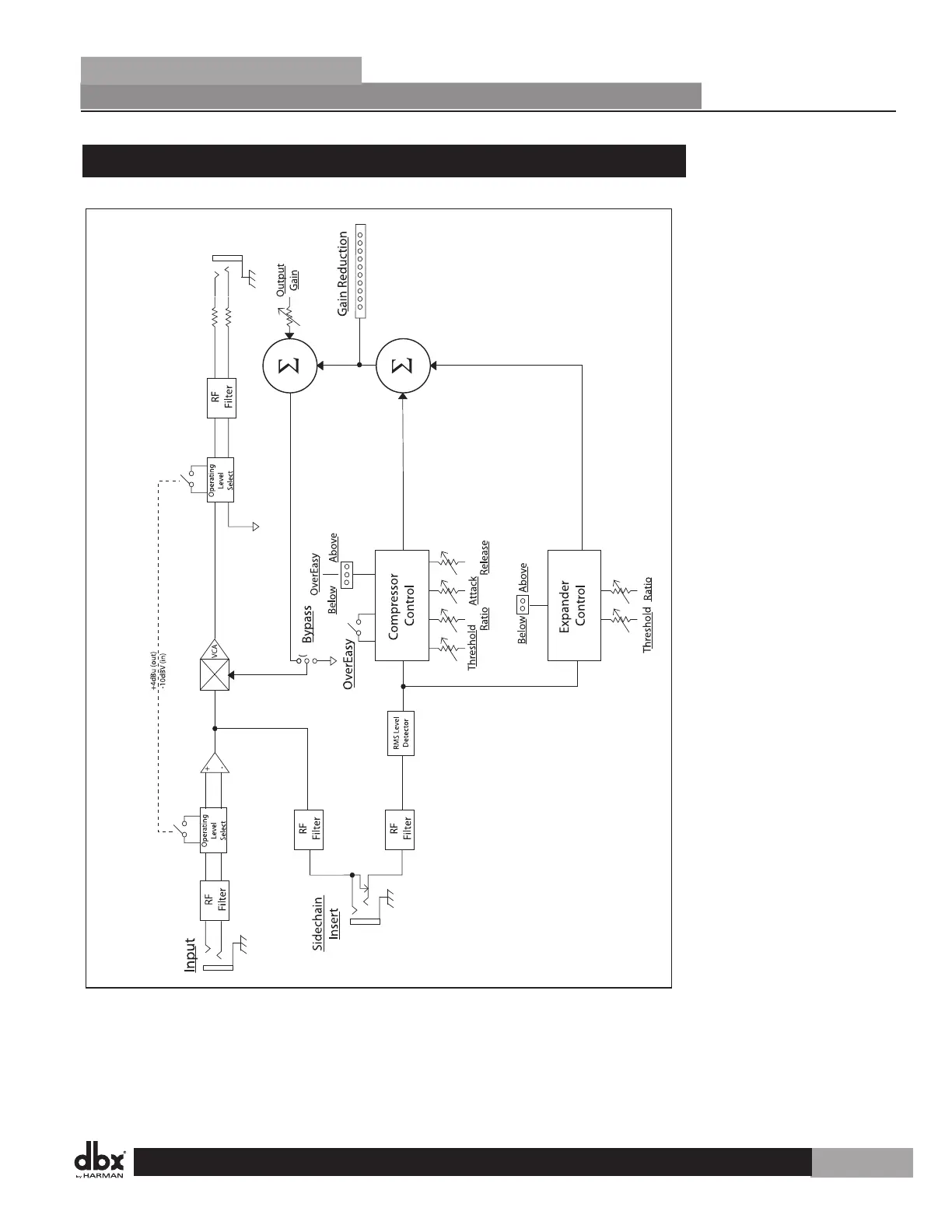
A.2 Block Diagram
dbx 266xs

Related product manuals