EasyManua.ls Logo

DCS CS-366 - CS Cooktop 36; 48 Wiring Schematic

DCS CS-366
26 pages
Print Icon
To Next Page IconTo Next Page
To Next Page IconTo Next Page
To Previous Page IconTo Previous Page
To Previous Page IconTo Previous Page
Loading...
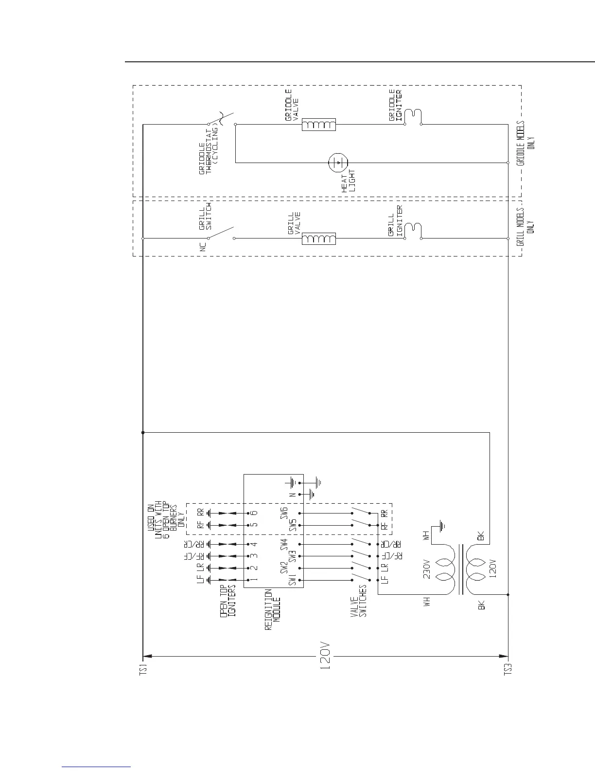
CS-36/48 SCHEMATIC
17
17473-02.eps Rev. A 08/02

Related product manuals