EasyManua.ls Logo

DCS CS-366 - CS Cooktop 485 Wiring Diagram

DCS CS-366
26 pages
Print Icon
To Next Page IconTo Next Page
To Next Page IconTo Next Page
To Previous Page IconTo Previous Page
To Previous Page IconTo Previous Page
Loading...
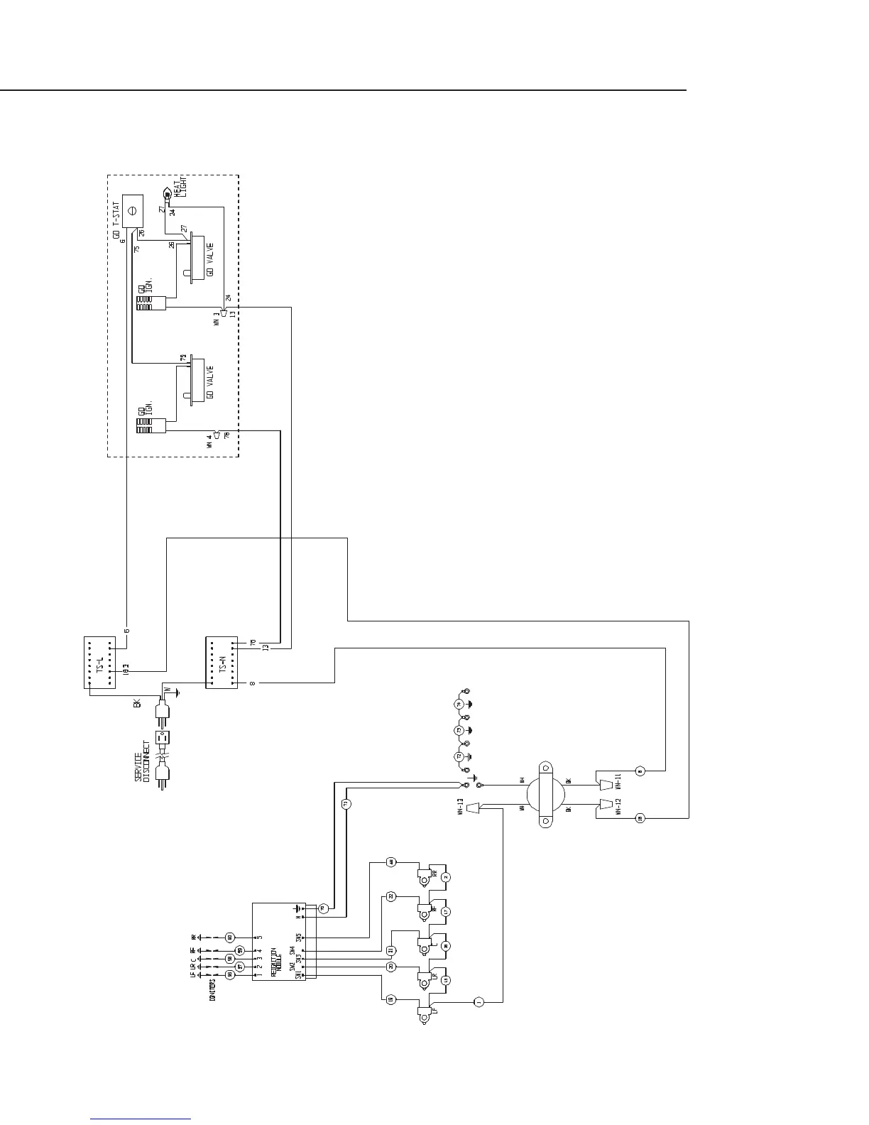
CS-485 WIRING DIAGRAM
18
17473-03.eps Rev. A 08/02

Related product manuals