EasyManua.ls Logo

DCS CTD-304 - Wiring Diagram

DCS CTD-304
40 pages
Print Icon
To Next Page IconTo Next Page
To Next Page IconTo Next Page
To Previous Page IconTo Previous Page
To Previous Page IconTo Previous Page
Loading...
13
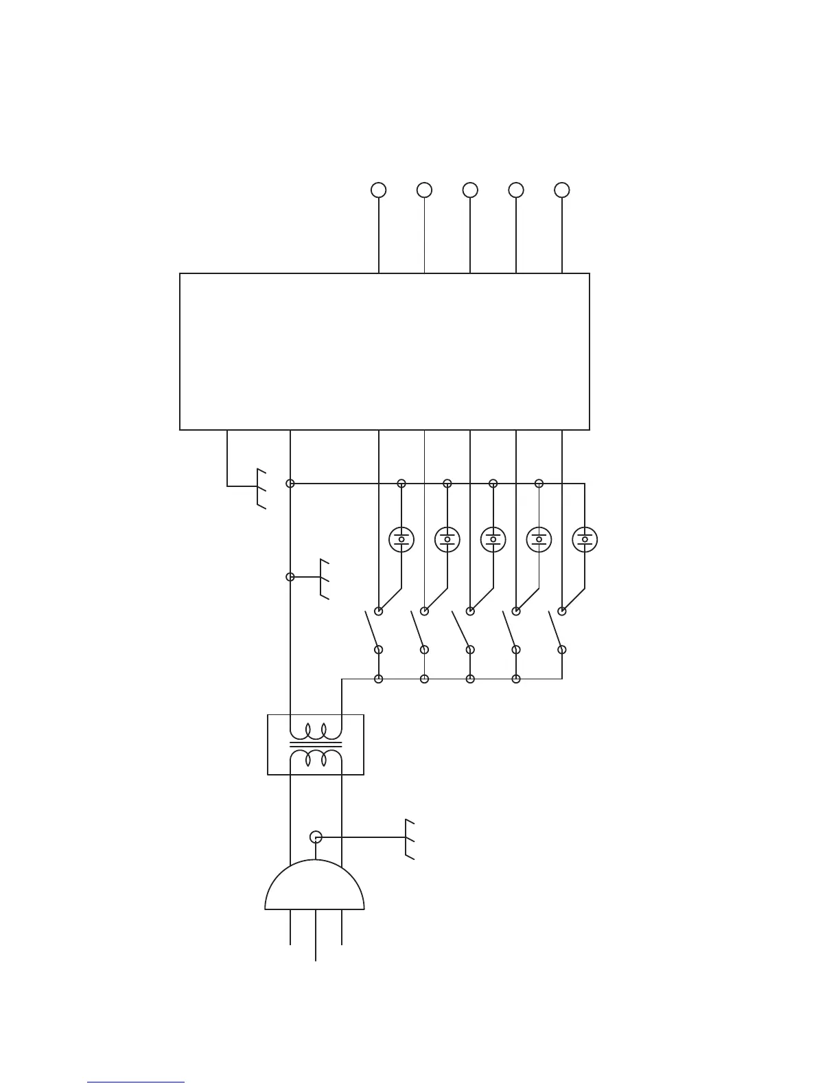
WIRING DIAGRAM FOR CTD-365

Related product manuals