EasyManua.ls Logo

Delfield 403 - Wiring Diagrams

Delfield 403
21 pages
Print Icon
To Next Page IconTo Next Page
To Next Page IconTo Next Page
To Previous Page IconTo Previous Page
To Previous Page IconTo Previous Page
Loading...
Compact Refrigerators and Freezers Service and Installation Manual
For customer service, call (800) 733-8829, (800) 773-8821, Fax (989) 773-3210, www.del eld.com
10
G
CONDENSING
UNIT
EVAPORATOR FAN(S)
NEMA 5-15P
SUPPLY CORD AND
PLUG FURNISHED
WIRING
DIAGRAM FOR
115V/60Hz/1Ø
400/4000/
4400 SERIES
REFRIGERATORS
TEMPERATURE
CONTROL
WHITEBLACK
ADDITIONAL FANS
FOR 4400 ONLY
4400 SERIES WILL HAVE
TWO CONDENSER FANS
GRD.
EVAPORATOR FAN
NEMA 5-15P
SUPPLY CORD AND
PLUG FURNISHED
WIRING
DIAGRAM FOR
115V/60Hz/1Ø
400/4000 SERIES
FREEZERS
TEMPERATURE
CONTROL
WHITEBLACK
CONDENSING
UNIT
MULLION HEATER
(4148 ONLY)
DEFROST LIMIT
DEFROST
TIMER
DEFROST HEATER
400 & 4100 SERIES 4500 SERIES
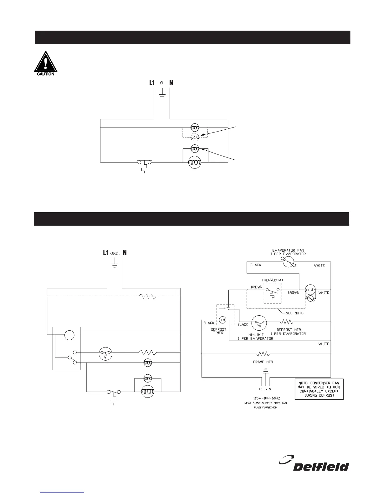
Wiring Diagram Refrigerators - 400, 4000 and 4400 Series
Wiring Diagram Freezers - 400, 4100 and 4500 Series

Related product manuals