EasyManua.ls Logo

Dellcool XCD-90B - Circuit Diagram; Limited Warranty; Warranty Coverage Exclusions

Dellcool XCD-90B
17 pages
Print Icon
To Next Page IconTo Next Page
To Next Page IconTo Next Page
To Previous Page IconTo Previous Page
To Previous Page IconTo Previous Page
Loading...
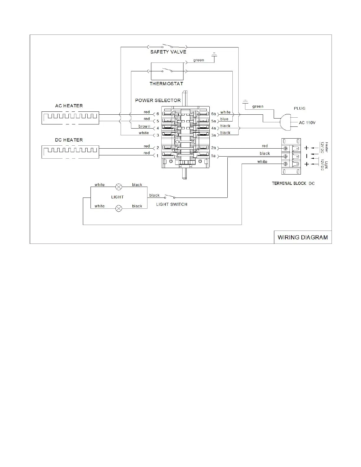
7. Circuit Diagram
Limited Warranty
As a condition to any warranty service obligation, the consumer must present the Warranty Certificate along with a
copy of the original purchase invoice.
THIS WARRANTY DOES NOT COVER:
1) Damage, accidental or otherwise, to the absorption refrigerator while in the possession of a consumer not caused
by a defect in material or workmanship.
2) Damage caused by consumer misuse, tampering, or failure to follow the care and special handling provisions in
the instructions.
3) Damage to the finish of the case, or other appearance parts caused by wear
4) Damage caused by repairs or alterations of the absorption refrigerator by anyone other than those authorized by
the manufacturer.
5) Freight and Insurance cost for the warranty service
ALL WARRANTIES, INCLUDING ANY IMPLIED WARRANTY OF MERCHANT ABILITY ARE LIMITED TO
CLAIMED DURATION. THE MANUFACTURER DISCLAIMS ANY LIABILITY FOR CONSEQUENTIAL OR
INCIDENTAL DAMAGES
15