EasyManua.ls Logo

DeLonghi DEF908S - Electric Diagram

DeLonghi DEF908S
48 pages
Print Icon
To Next Page IconTo Next Page
To Next Page IconTo Next Page
To Previous Page IconTo Previous Page
To Previous Page IconTo Previous Page
Loading...
4646
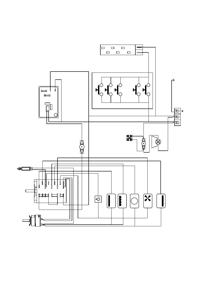
ELECTRIC DIAGRAM
Figure 51
TM
C
G
S
V
CIR
S1
LF
N/ 7
1
1a
L/8
PR
TL
M
NL
PA
A
T
CF
1
3
2
6
7
8
9
10
12
a
b
c
f
g
h
i
k
F1
TL1
4 5 0 V P A 4 4
TB

Related product manuals