EasyManua.ls Logo

Delta Electronics ASDA-A Series - External Controller Connection Examples

Delta Electronics ASDA-A Series
383 pages
Print Icon
To Next Page IconTo Next Page
To Next Page IconTo Next Page
To Previous Page IconTo Previous Page
To Previous Page IconTo Previous Page
Loading...
Chapter 12 Application Examples |ASDA-A&A+ Series
Revision April 2009 12-37
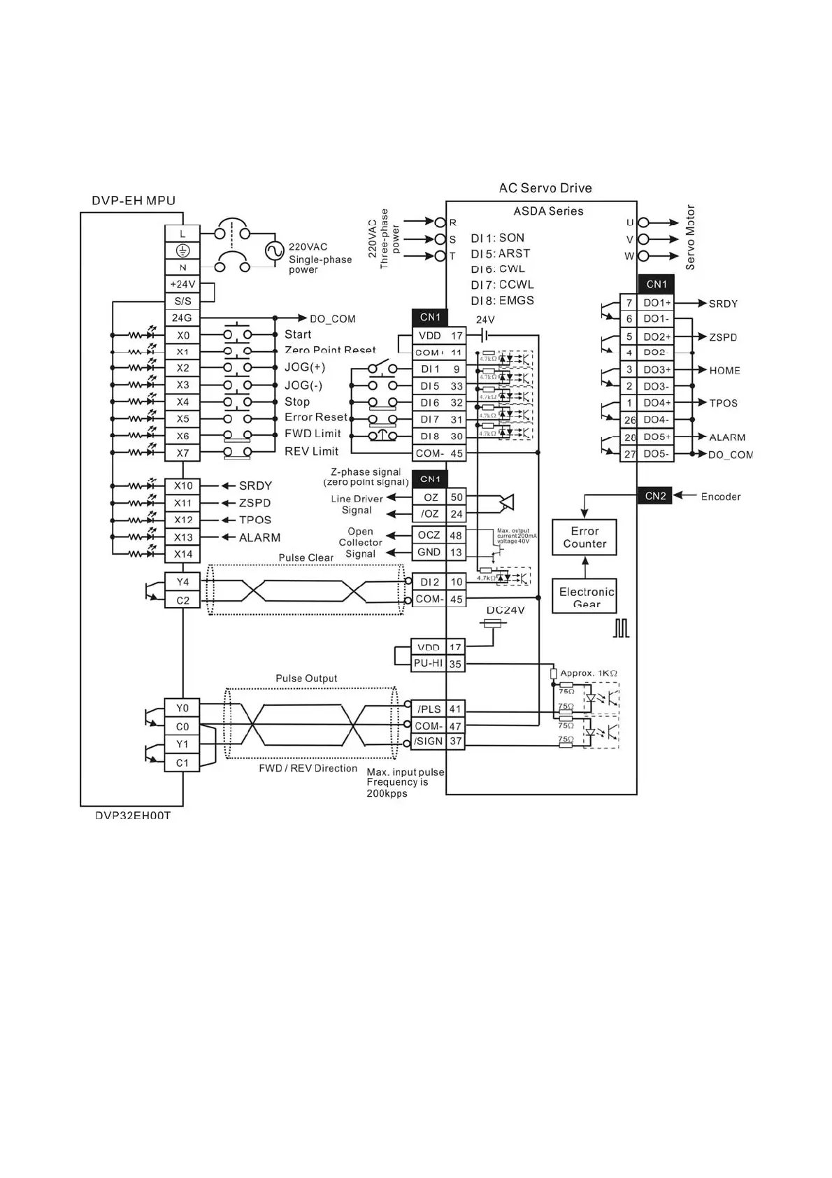
12.9 External Controller Connection Examples
Connecting to Delta DVP-EH PLC
Call 1(800)985-6929 for Sales
deltaacdrives.com
sales@deltaacdrives.com
Call 1(800)985-6929 for Sales
deltaacdrives.com
sales@deltaacdrives.com

Table of Contents

Other manuals for Delta Electronics ASDA-A Series

Related product manuals