EasyManua.ls Logo

Delta Electronics ASDA-A Series - General Function Operation; Fault Code Display Operation; JOG Operation

Delta Electronics ASDA-A Series
383 pages
Print Icon
To Next Page IconTo Next Page
To Next Page IconTo Next Page
To Previous Page IconTo Previous Page
To Previous Page IconTo Previous Page
Loading...
Chapter 4 Display and Operation|ASDA-A&A+ Series
Revision April 2009 4-7
4.4 General Function Operation
4.4.1 Fault Code Display Operation
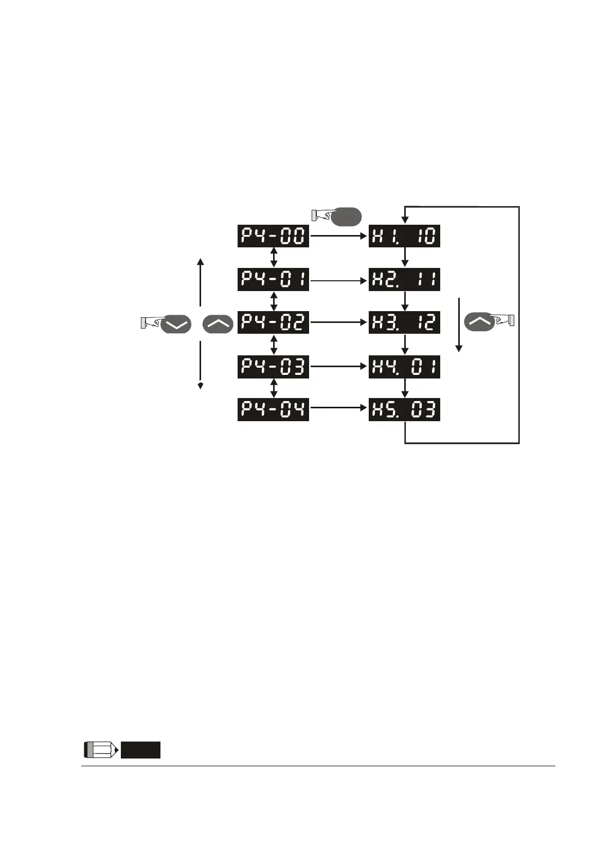
After entering the parameter mode P4-00 to P4-04 (Fault Record), press SET key to display the
corresponding fault code history for the parameter or press UP arrow key to display the fault code of H1
to H5 in order. H1 indicates the most recent occurred fault code, H2 is the previous occurred fault code
before H1 and so on. Please refer to the Figure 4.3. The recently occurred error code is 10.
Figure 4.3
SET
or
4.4.2 JOG Operation
After entering parameter mode P4-05, the users can follow the following steps to perform JOG operation.
(Please also refer to Figure 4.4).
Step1. Press the SET key to display the JOG r/min speed. (The default value is 20 r/min).
Step2. Press the UP or DOWN arrow keys to increase or decrease the desired JOG speed. (This also
can be undertaken by using the SHIFT key to move the cursor to the desired unit column (the
effected number will blink) then changed using the UP and DOWN arrow keys. The example
display in Figure 4.4 is adjusted as 100 r/min.)
Step3. Press the SET key when the desired JOG speed is set. The Servo Drive will display "JOG".
Step4. Press the UP or DOWN arrow keys to jog the motor either CCW or CW. The motor will only
rotate while the arrow key is activated.
Step5. To change JOG speed again, press the MODE key. The servo Drive will display "P4 - 05".
Press the SET key and the JOG r/min speed will displayed again. Refer back to #2 and #3 to
change speed.
NOTE
1) JOG operation is effective only when Servo On (when the servo drive is enabled).
Call 1(800)985-6929 for Sales
deltaacdrives.com
sales@deltaacdrives.com
Call 1(800)985-6929 for Sales
deltaacdrives.com
sales@deltaacdrives.com

Table of Contents

Other manuals for Delta Electronics ASDA-A Series

Related product manuals