EasyManua.ls Logo

Delta Electronics ASDA-A2 Series - Page 87

Delta Electronics ASDA-A2 Series
583 pages
Print Icon
To Next Page IconTo Next Page
To Next Page IconTo Next Page
To Previous Page IconTo Previous Page
To Previous Page IconTo Previous Page
Loading...
Chapter 3 Connections and Wiring
3-46 Revision January 2011
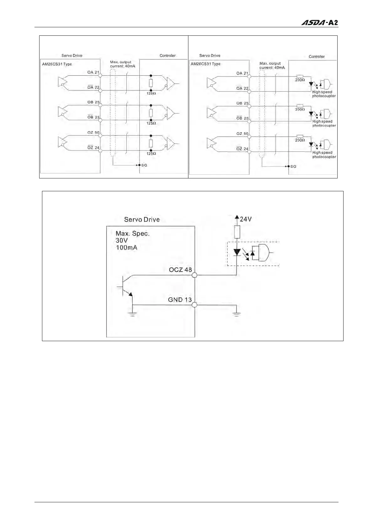
C13: Encoder output signal (Line driver) C14: Encoder output signal (Photocoupler)
C15: Encoder OCZ output (Open-collector Z-pulse output
Call 1(800)985-6929 for Sales
deltaacdrives.com
sales@deltaacdrives.com
Call 1(800)985-6929 for Sales
deltaacdrives.com
sales@deltaacdrives.com

Related product manuals