EasyManua.ls Logo

Delta ASD-M-0721-F

Delta ASD-M-0721-F
645 pages
To Next Page IconTo Next Page
To Next Page IconTo Next Page
To Previous Page IconTo Previous Page
To Previous Page IconTo Previous Page
Loading...
ASDA-M Chapter 3 Wiring
Revision December, 2014 3-33
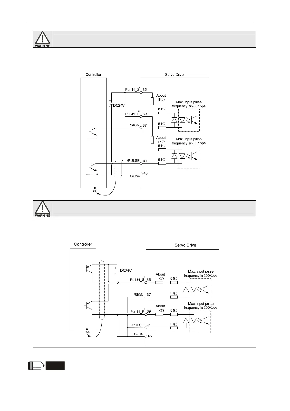
Caution: Do not apply to dual power or it may damage the servo drive.
C3-2: The source of pulse input is open-collector NPN equipment and applies the
external power.
Caution: Do not apply to dual power or it may damage the servo drive.
C3-2: The source of pulse input is open-collector PNP equipment and applies the
external power.
NOTE
The wiring method of Pull-hi_S and Pull-hi_P is different from ASDA-A2 series. The aim is
for connecting to PNP.

Table of Contents

Related product manuals