EasyManua.ls Logo

Delta N-6K - Front Control Panel; Rear Control Panel

Delta N-6K
27 pages
Print Icon
To Next Page IconTo Next Page
To Next Page IconTo Next Page
To Previous Page IconTo Previous Page
To Previous Page IconTo Previous Page
Loading...
Display any abnormality condition happened on UPS.
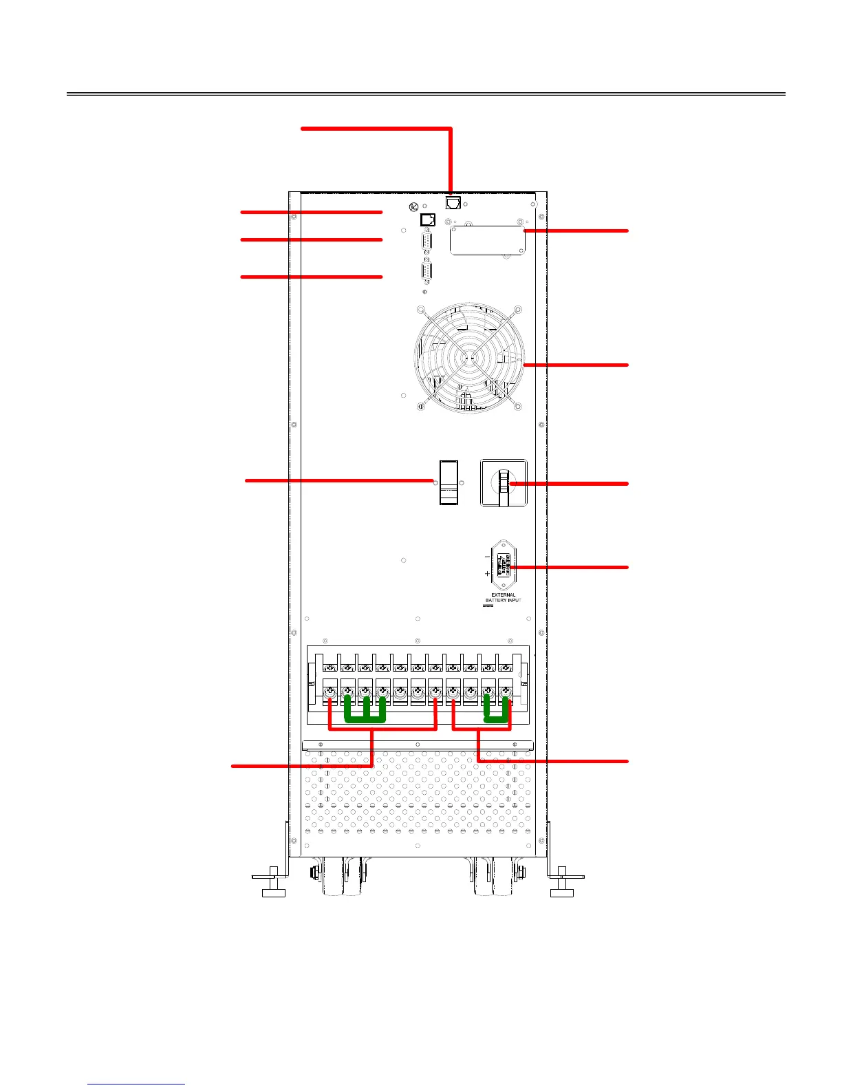
2-3 REAR CONTROL PANEL
5
11
10
6
1
4
2
5
8
7
9
3
6KVA
EMERGENCY
240VDC 20A
AC
BREAKER
INPUT
MANUAL BYPASS
POWER OFF
CONTACT
DRY
RS-232
SNMP
BATT. NO.

Related product manuals