EasyManua.ls Logo

Delta VFD015CB43A-20 - Page 106

Delta VFD015CB43A-20
363 pages
Print Icon
To Next Page IconTo Next Page
To Next Page IconTo Next Page
To Previous Page IconTo Previous Page
To Previous Page IconTo Previous Page
Loading...
Chapter 11 Description of Parameter Settings|C200 Series
11-7
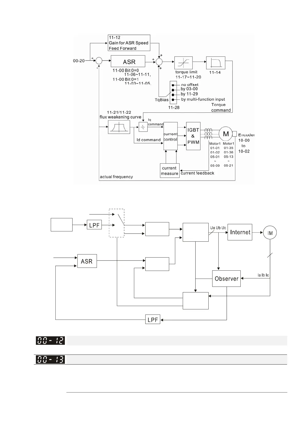
When setting Pr.00-11 to 3, the FOCPG control diagram is shown as follows.
When setting Pr.00-11 to 6, PM FOC sensorless control diagram is shown as follows:
AMR
Id command
ACRd
Id feedback
dq2abc
ACRq
Wr_cmd
Iq command
Iq feedback
Wr_est
dq2abc
θ
_est
07-01
10 39
-
10-35
11-0 1~11-05
10-34
10-31~10-33
10-36
Reserved
Control of Torque Mode
Factory Setting: 0
Settings
0:
TQCPGIM Torque control + Encoder
1~2: Reserved
TQCPG control diagram is shown in the following:
Call 1(800)985-6929 for Sales
deltaacdrives.com
sales@deltaacdrives.com
Call 1(800)985-6929 for Sales
deltaacdrives.com
sales@deltaacdrives.com

Related product manuals