EasyManua.ls Logo

Delta VFD13AME43ANNAA - PMSVC Control Diagram

Delta VFD13AME43ANNAA
403 pages
Print Icon
To Next Page IconTo Next Page
To Next Page IconTo Next Page
To Previous Page IconTo Previous Page
To Previous Page IconTo Previous Page
Loading...
Chapter 12 Description of Parameter SettingsME300
12.2-3
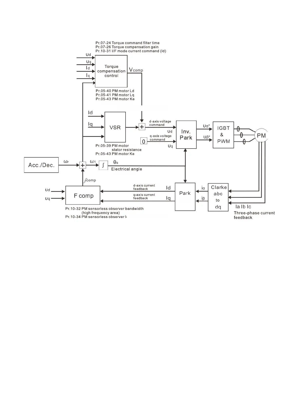
PMSVC control diagram

Table of Contents

Related product manuals