EasyManua.ls Logo

Delta VFD4A8ME21ANNAA

Delta VFD4A8ME21ANNAA
403 pages
To Next Page IconTo Next Page
To Next Page IconTo Next Page
To Previous Page IconTo Previous Page
To Previous Page IconTo Previous Page
Loading...
Chapter 12 Description of Parameter SettingsME300
12.1-06-13
PTC Level
Default: 50.0
Settings 0.0–100.0%
Sets AVI / ACI analog input function Pr.03-00 to 6 [Positive temperature coefficient (PTC)
thermistor input value].Use this to set the PTC level; the corresponding value for 100% is the
analog input maximum value.
When using the AVI terminal, you must set Pr.03-28 to 1 and switch AVI voltage to 0–10 V. At this
time, the AVI input impedance is 20 KΩ.
When the temperature reaches to the set protection level, the motor acts according to the
settings for Pr.06-29 and displays warning “oH3” (if Pr.06-29 = 1–3). When the temperature is
lower than the set protection level, you can press RESET key to clear the fault.
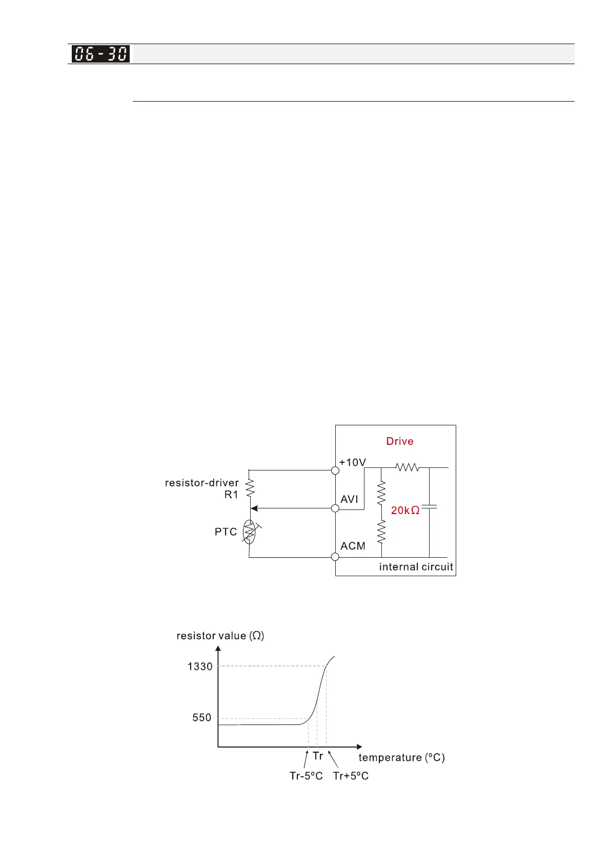
The PTC uses the AVI-input and is connected via resistor-divider as shown below:
1. The voltage between +10V to ACM: lies within10V–11V.
2. The impedance for AVI is around 20K Ω. Recommended value for resistor-divider 1K–10KΩ.
3. Please contact your motor dealer for the curve of temperature and resistance value for PTC.
Protection level (Pr.06-30) = V+10 *(RPTC//20K)/[R1+(RPTC//20K)]
V+10: voltage between +10V-ACM, Range 10.4~11.2V
DC
;
RPTC: motor PTC overheat protection level;
20KΩ: is AVI input impedance;
R1: resistor-divider (recommended value: 1–10kΩ)
Take the standard PTC thermistor as example: if protection level is 1330Ω, the voltage between
+10V-ACM is 10.5V and resistor-divider R1 is 4.4kΩ.

Table of Contents

Related product manuals