EasyManua.ls Logo

Delta VFD4A8ME21ANNAA

Delta VFD4A8ME21ANNAA
403 pages
To Next Page IconTo Next Page
To Next Page IconTo Next Page
To Previous Page IconTo Previous Page
To Previous Page IconTo Previous Page
Loading...
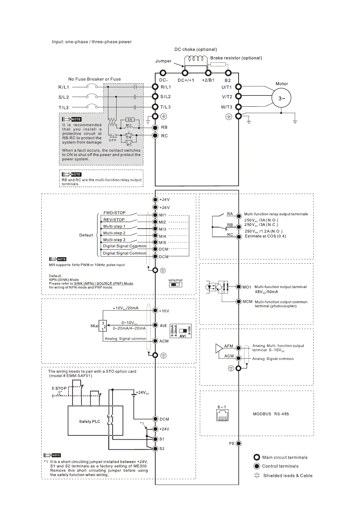
Chapter 4 WiringME300
4-4
4-2 Wiring

Table of Contents

Related product manuals