EasyManua.ls Logo

Delta VFD4A8ME21ANNAA

Delta VFD4A8ME21ANNAA
403 pages
To Next Page IconTo Next Page
To Next Page IconTo Next Page
To Previous Page IconTo Previous Page
To Previous Page IconTo Previous Page
Loading...
Chapter 7 Optional AccessoriesME300
7-10
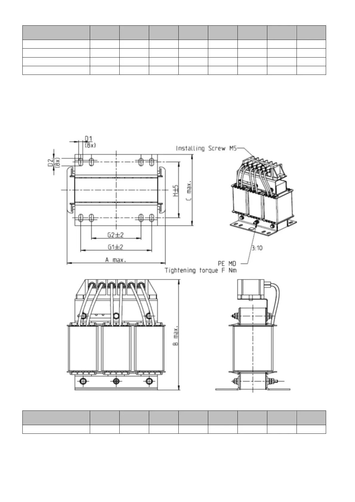
Input AC reactor
Delta part #
A B C D1*D2 E G1 G2 PE D
DR005A0254 100 115 65 6*9 45 60 40 M4
DR008A0159 100 115 65 6*9 45 60 40 M4
DR011A0115 130 135 95 6*12 60 80.5 60 M4
DR017AP746 130 135 100 6*12 65 80.5 60 M4
Unit: mm
Input AC reactor
Delta part #
A B C D1*D2 H G1 G2 PE D
DR025AP507 130 195 100 6*12 65 80.5 60 M4
Unit: mm

Table of Contents

Related product manuals