EasyManua.ls Logo

Delta VFD5A5ME43ANNAA - AC; DC Reactor; AC Input Reactor

Delta VFD5A5ME43ANNAA
403 pages
Print Icon
To Next Page IconTo Next Page
To Next Page IconTo Next Page
To Previous Page IconTo Previous Page
To Previous Page IconTo Previous Page
Loading...
Chapter 7 Optional AccessoriesME300
7-9
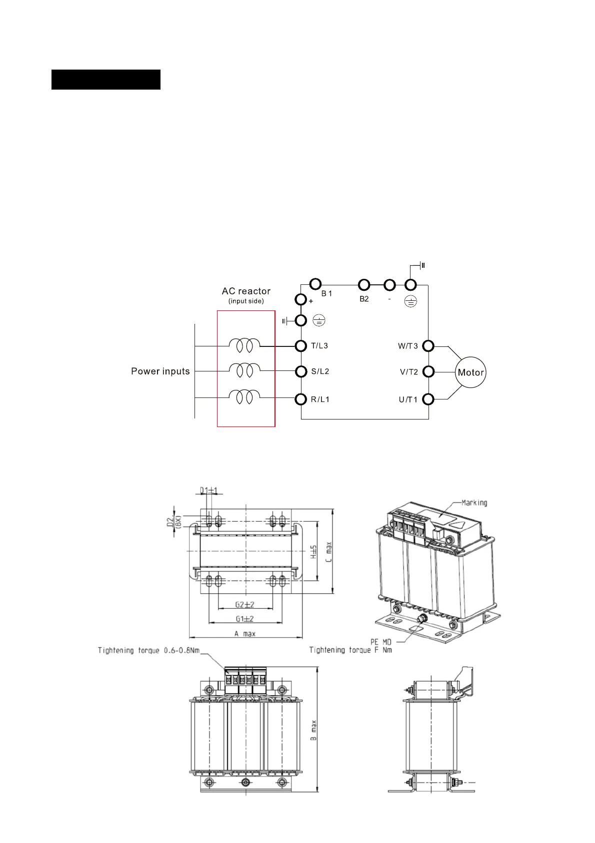
7-4 AC / DC Reactor
AC input reactor
Installing an AC reactor on the input side of an AC motor drive can increase line impedance, improve
the power factor, reduce input current, and reduce interference generated from the motor drive. It also
reduces momentary voltage surges or abnormal current spikes. For example, when the main power
capacity is higher than 500 kVA, or when using a switching capacitor bank, momentary voltage and current
spikes may damage the AC motor drive’s internal circuit. An AC reactor on the input side of the AC motor
drive protects it by suppressing surges.
Installation
Install an AC input reactor in series with the main power to the three input phases R S T as shown
below:
Connecting an AC input reactor
AC input reactor dimension and specifications

Table of Contents

Related product manuals