EasyManua.ls Logo

Delta VFD900CP43A-00

Delta VFD900CP43A-00
868 pages
To Next Page IconTo Next Page
To Next Page IconTo Next Page
To Previous Page IconTo Previous Page
To Previous Page IconTo Previous Page
Loading...
Chapter 7 Optional AccessoriesCP2000
7-68
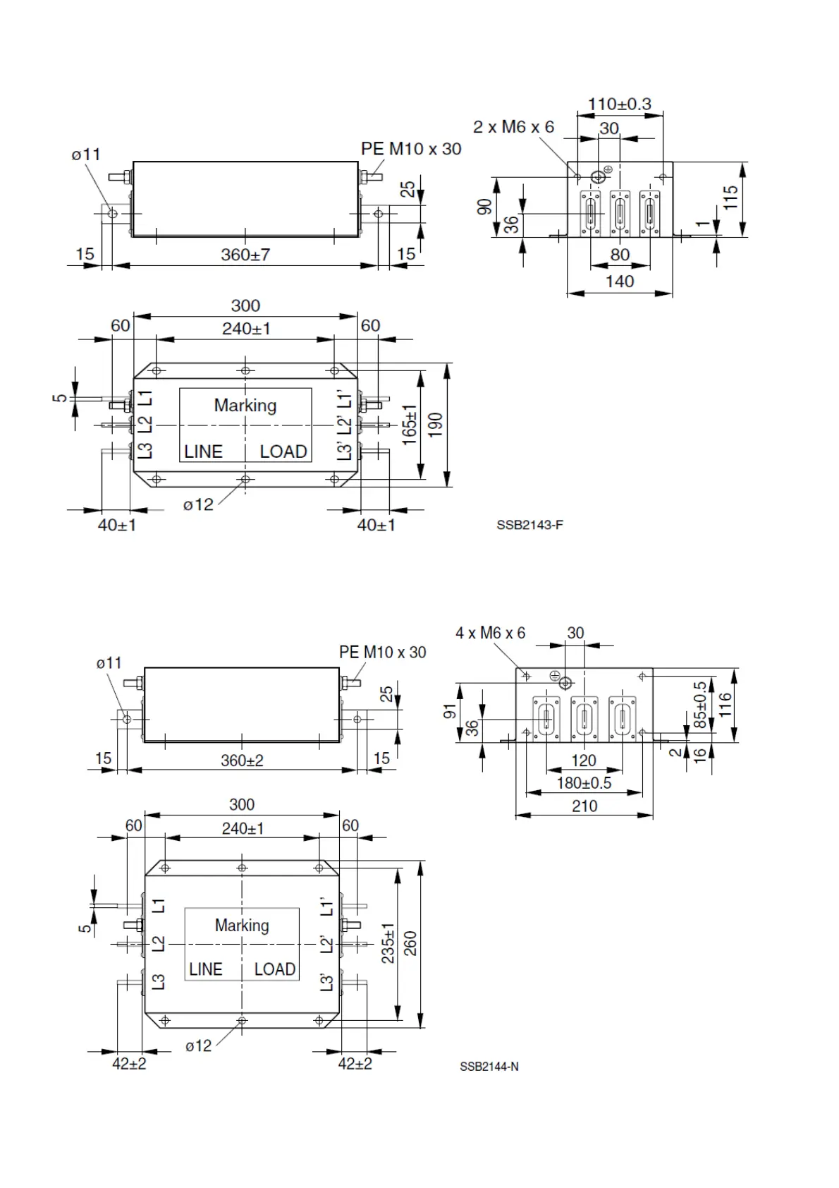
EMC filter model name: B84143B0250S020
EMC filter model name: B84143B0400S020
Figure 7-51
Figure 7-52

Table of Contents

Related product manuals