EasyManua.ls Logo

Delta VFD900CP43A-00 - Page 178

Delta VFD900CP43A-00
868 pages
To Next Page IconTo Next Page
To Next Page IconTo Next Page
To Previous Page IconTo Previous Page
To Previous Page IconTo Previous Page
Loading...
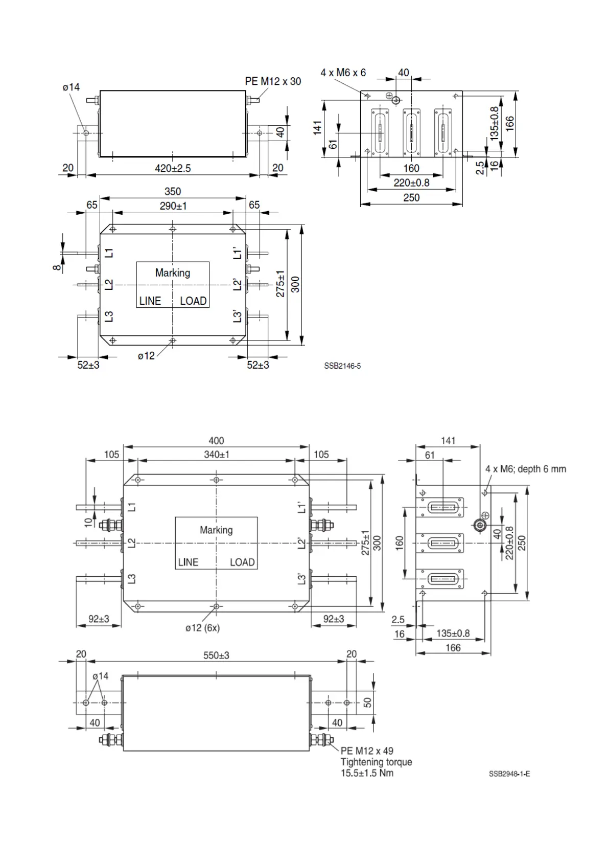
Chapter 7 Optional AccessoriesCP2000
7-69
EMC filter model name: B84143B1000S020
EMC filter model name: B84143B1600S020
Figure 7-53
Figure 7-54
Unit: mm

Table of Contents

Related product manuals