EasyManua.ls Logo

Deltech SPX Flow DSHD Series - 11.7 P&I Diagram

Deltech SPX Flow DSHD Series
32 pages
Print Icon
To Next Page IconTo Next Page
To Next Page IconTo Next Page
To Previous Page IconTo Previous Page
To Previous Page IconTo Previous Page
Loading...
24
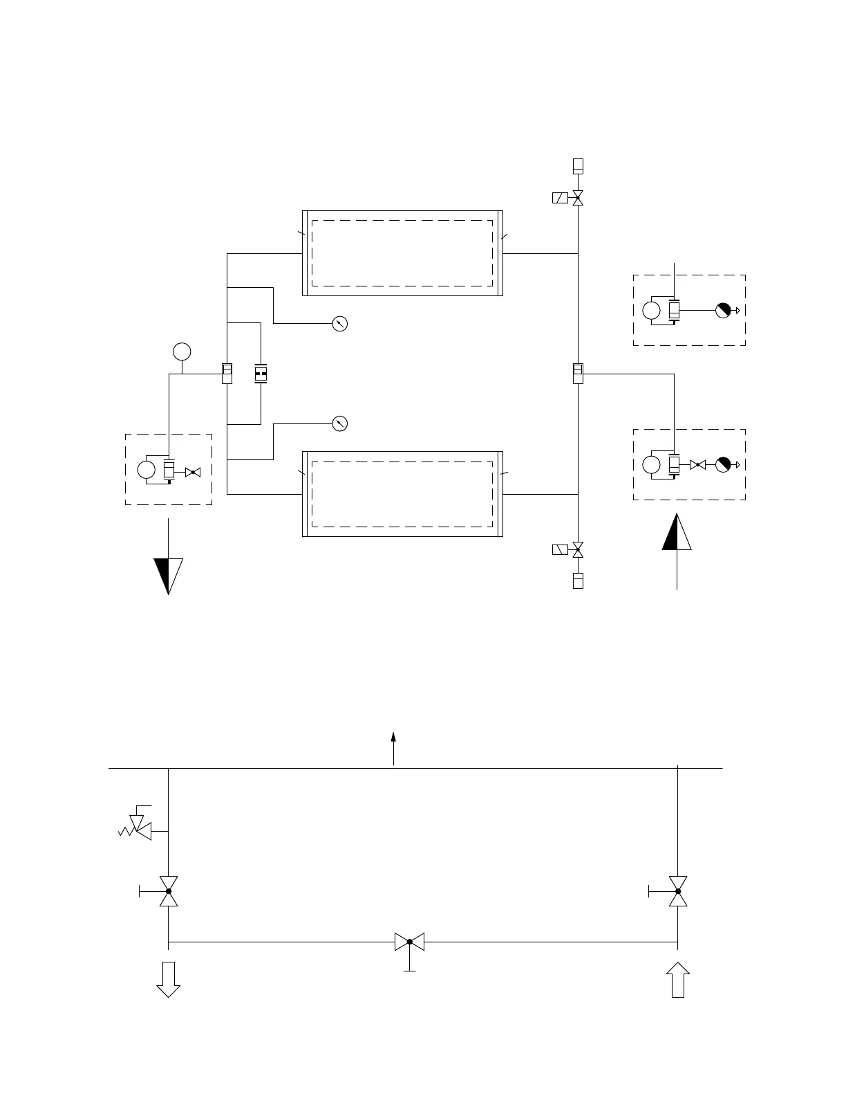
11.7 P&I Diagram
PI019
F009
F008
F004
F005
V015
V013
F017V014
V011
SV 15bar
F016
029
PT
OPTION
B007 B006
X013
PI018
F012
PDI
012
V012
Desiccant Cartridge
Pre-Filter (Option)
Block Protection Mash
Afterlter (Option)
Muer
Dierential Pressure Gauge
Pressure Gauge
Pressure Dewpoint Sensor (Option)
Shut-o Valve (Option)
Bottom Block
Top Block
Solenoid Valve (Purge)
Condensate Drain
Orice
B006/B007
F001
F004/F005/F008/F009
F012
F016/F017
PDI001/PDI012
PI018/PI019
PT029
V001/V002
V011
V013
V014/V015
X001
X013
001
PDI
V001
X001
F001
001
PDI
F001
OPTION
X001
Compressed Air Outlet
Compressed Air Inlet
Bypack see lter instruction manual
Compressed Air Inlet
operating company
supplied by
Compressed Air Outlet
Assembly
Legend

Table of Contents

Related product manuals