EasyManua.ls Logo

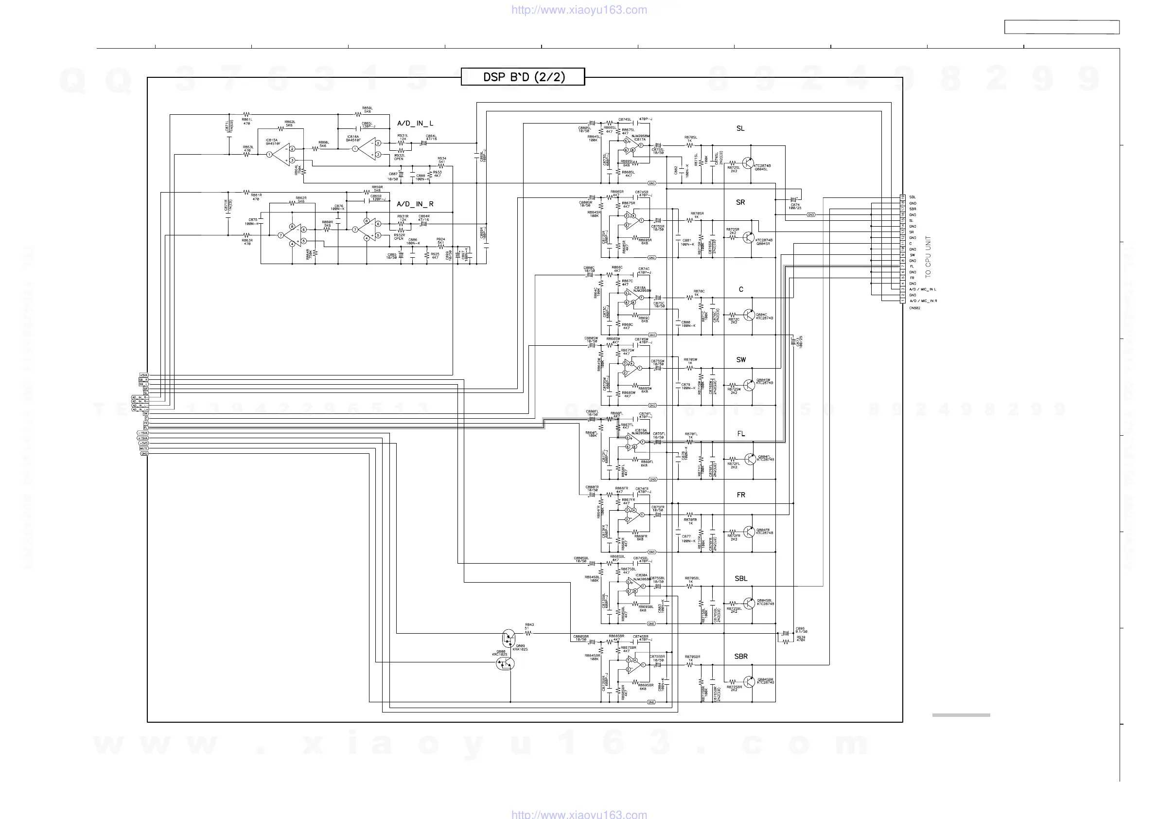
Denon AVR-1630 - SCHEMATIC DIAGRAMS (9;14); DSP Unit (2;2) Schematic; Signal Line Identification

Denon AVR-1630
102 pages
To Next Page IconTo Next Page
To Next Page IconTo Next Page
To Previous Page IconTo Previous Page
To Previous Page IconTo Previous Page
Loading...
92
AVR-1906 / AVR-786 / AVC-1620
SIGNAL LINE
SCHEMATIC DIAGRAMS (9/14)
DSP UNIT (2/2)
(For ALL MODEL)
SCHEMATIC DIAGRAMS (9/14)
1234567891011
A
B
C
D
E
F
G
H
AVR-1907 / AVR-787 / AVC-1630
w
w
w
.
x
i
a
o
y
u
1
6
3
.
c
o
m
Q
Q
3
7
6
3
1
5
1
5
0
9
9
2
8
9
4
2
9
8
T
E
L
1
3
9
4
2
2
9
6
5
1
3
9
9
2
8
9
4
2
9
8
0
5
1
5
1
3
6
7
3
Q
Q
TEL 13942296513 QQ 376315150 892498299
TEL 13942296513 QQ 376315150 892498299
http://www.xiaoyu163.com
http://www.xiaoyu163.com

Table of Contents

Related product manuals