EasyManua.ls Logo

Denon AVR-2808CI - Page 154

Denon AVR-2808CI
167 pages
To Next Page IconTo Next Page
To Next Page IconTo Next Page
To Previous Page IconTo Previous Page
To Previous Page IconTo Previous Page
Loading...
87654321
A
B
C
D
E
F
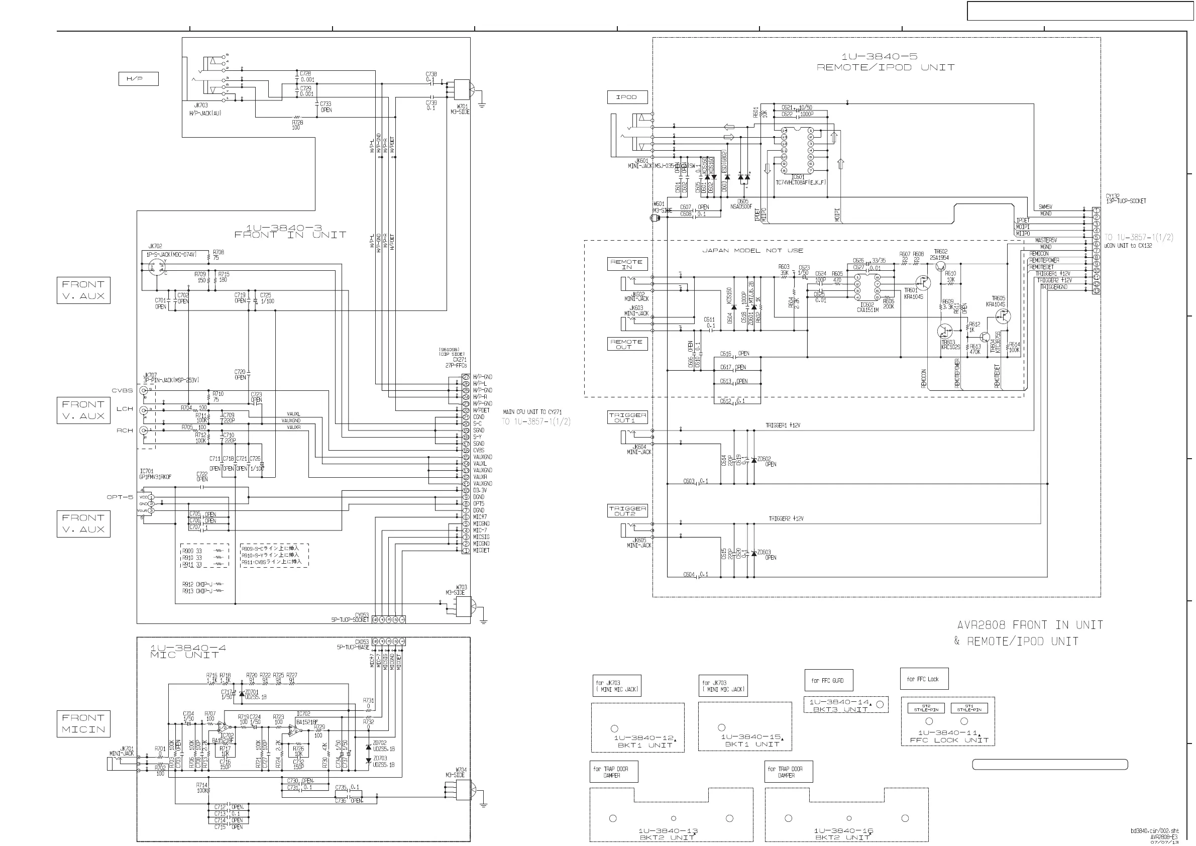
SCHEMATIC DIAGRAMS (18/31)
AVR-2808CI / AVR-988 / AVR-2808 / AVC-2808
SCHEMATIC DIAGRAMS (18/31)
1U-3840 FRONT UNIT (2/3)
1U-3840-3 FRONT IN UNIT
1U-3840-4 MIC UNIT
1U-3840-5 REMOTE/IPOD UNIT
AVR-2808CI/AVR-2808/AVC-2808 model

Table of Contents

Other manuals for Denon AVR-2808CI

Related product manuals