EasyManua.ls Logo

Denon AVR-2808CI - Page 166

Denon AVR-2808CI
167 pages
To Next Page IconTo Next Page
To Next Page IconTo Next Page
To Previous Page IconTo Previous Page
To Previous Page IconTo Previous Page
Loading...
87654321
A
B
C
D
E
F
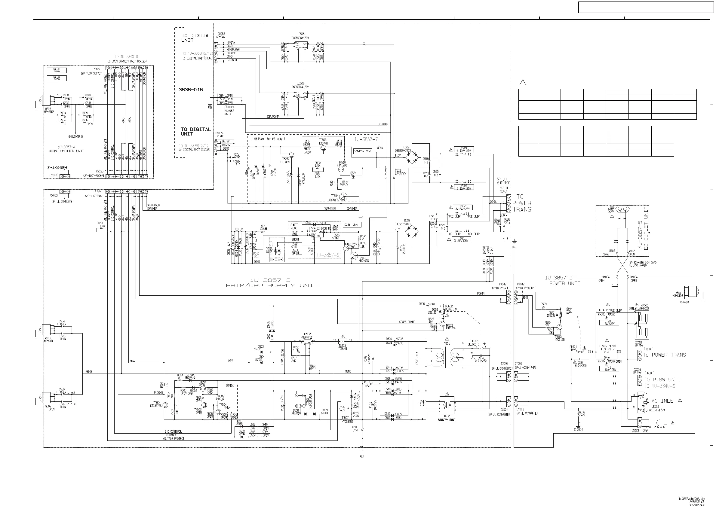
SCHEMATIC DIAGRAMS (30/31)
AVR-2808CI / AVR-988 / AVR-2808 / AVC-2808
SCHEMATIC DIAGRAMS (30/31)
1U-3857 MAIN CPU UNIT (3/3)
1U-3857-2 POWER UNIT
1U-3857-3 PRIM/CPU SUPPLY UNIT
1U-3857-4 uCON JUNCTION UNIT
1U-3857-5 E2 OUTLET UNIT
2
T601 T602 R532 JK501 JK301 FF506 FH506 FF507 FH507
USA
CANADA
00D2336524009 00D2336576109
2.2M AC OUTLET OPEN FUSE CLIP OPEN
EUROPE
00D2336526007 00D2336606105
OPEN OPEN AC OUTLET FUSE CLIP OPEN
CHINA
00D2336528005 00D2336607007
OPEN OPEN OPEN FUSE CLIP OPEN
JAPAN
00D2330703004 00D2330736000
OPEN AC OUTLET OPEN OPEN
FUSE HOLDER
F1 F8 F501 F502 F503 F504
USA
CANADA
10A/125V 8A/125V 3.15A/125V 3.15A/125V 3.15A/125V 3.15A/125V
EUROPE T4AL 250V T2.5A 250V T3.15AL 250V T3.15AL 250V T3.15AL 250V T3.15AL 250V
CHINA T4AL 250V OPEN T3.15AL 250V T3.15AL 250V T3.15AL 250V T3.15AL 250V
JAPAN T10A T8A T3.15A T3.15A T3.15A T3.15A

Table of Contents

Other manuals for Denon AVR-2808CI

Related product manuals