EasyManua.ls Logo

Denon AVR-X6300H - Page 14

Denon AVR-X6300H
193 pages
To Next Page IconTo Next Page
To Next Page IconTo Next Page
To Previous Page IconTo Previous Page
To Previous Page IconTo Previous Page
Loading...
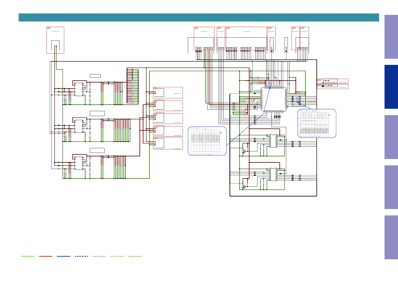
SCH05_DIR DA SUPPLY
All Ref.No. has been described in the parts list are four digits.
But there are less than four digits of printed Ref.No. on the PCB, and they have become four digits after the header by adding "0" in the parts list.
GND LINE
POWER- LINE
POWER+ LINE
AUDIO SIGNAL TMDS SIGNAL ANALOG VIDEO DIGITAL VIDEO
33x4
R7044
78
C7016
0.1
R7035
33
R7032
100
R7038
33
R7030
10K
C7022
0.022
33x4
R7044
56
33x4
R7045
78
R7034
33
C7017
0.1
R7037
33
C7023
0.1
R7031
10K
C7020 0.022
33x4
R7045
56
33x4
R7045
12
33x4
R7045
34
DTC114YK
Q7002
LC89091JA
U7006
1
SCL
2
SDA
3
ERR
4
GPO
5
RXIN
6
MPIO
7
LPF
8
GND
9
MCKO
10
BCKO
11
LRCKO
12
DATAO
13
XIN
14
XOUT
15
SDIN
16
VDD
LC89091JA
U7005
1
SCL
2
SDA
3
ERR
4
GPO
5
RXIN
6
MPIO
7
LPF
8
GND
9
MCKO
10
BCKO
11
LRCKO
12
DATAO
13
XIN
14
XOUT
15
SDIN
16
VDD
33x4
R7044
12
33x4
R7044
34
C7024
0.1
R7033
100
DTC114YK
Q7003
10K
R7027
10K
R7028
U7004
PCM9211
1
ERR/INT0
2
NPCM/INT1
3
MPIO_A0
4
MPIO_A1
5
MPIO_A2
6
MPIO_A3
7
MPIO_C0
8
MPIO_C1
9
MPIO_C2
10
MPIO_C3
11
MPIO_B0
12
MPIO_B1
13
MPIO_B2
14
MPIO_B3
15
MPO0
16
MPO1
17
DOUT
18
LRCK
19
BCK
20
SCKO
21
DGND
22
DVDD
23
MDO/ADR0
24
MDI/SDA
25
MC/SCL
26
MS/ADR1
27
MODE
28
RXIN7/ADIN0
29
RXIN6/ALRCKIO
30
RXIN5/ABCKIO
31
RXIN4/ASCKIO
32
RXIN3
33
RXIN2
34
RST
35
RXIN1
36
VDDRX
37
RXIN0
38
GNDRX
39
XTI
40
XTO
41
AGND
42
VCC
43
FILT
44
VCOM
45
AGNDAD
46
VCCAD
47
VINL
48
VINR
R7041
33
C7026
0.1
33x4
R7046
34
33x4
R7046
56
33x4
R7046
78
33x4
R7046
12
33
R7042
R7047
33
R7040
4.7K
100
R7039
47K
R7036
C7021
0.1
R7029
680
C7015
4700P
C7012 0.068
C7025
10/6.3
R7043
3.3K
C7014
0.1
C7018
0.1
C7019
10/6.3
33x4
34
33x4
12
33x4
56
33x4
R7050
78
D5V
1000PC1950
C9009
OPEN
DGND
C9000
OPEN
OPEN
L1910
BLM21PG221
L1905
0.1
C1949
C9012
OPEN
DA3.3V
10
R1912
OPEN
C1955
DA1.1V-1
BLM21PG221
L1907
C9003
OPEN
DGND
C9001
OPEN
1000PC1953
BLM21PG221
L1904
DA1.1V-2
BLM21PG221
L1908
100/6.3
C9513
OPEN
L1906
47K
R1913
C9005
OPEN
DA3.3V
C9002
OPEN
1000PC1951
DGND
OPEN
C1929
1000PC1911
C9008
OPEN
DA3.3V
C9007
OPEN
OPEN
C1954
DA1.1V-2
100/6.3
C9511
OPEN
L1902
0.1
C1913
1000PC1952
10
R1932
C9010
OPEN
DGND
C9014
OPEN
OPEN
C1930
1000PC1933
OPEN
C1934
DGND
1000PC1923
C9006
OPEN
DA3.3V
BLM21PG221
L1912
BLM21PG221
L1911
BLM21PG221
L1903
1000PC1932
DA1.1V-1
100/6.3
C9510
BLM21PG221
L1901
0.1
C1901
100/6.3
C9508
DA3.3V
0.1
C1922
C9013
OPEN
DGND
0.1
C1940
0.1
C1910
BLM21PG221
L1909
C9004
OPEN
100/6.3
C9512
10
R1911
47K
R1901
47K
R1933
1000PC1931
C9011
OPEN
OPEN
C1935
-
-
-
MAINDIR_CE
MAINDIR_DIN
MAINDIR_RST
MAINDIR_DOUT
MAINDIR_CLK
DA_POWER1
Z2NETADC_R
Z2NETADC_L
8
GND
XCL212B082DR
U1901
1
NC
3
LX
C1904
330P
C1902
10/16
C1907
22/6.3
6
CE
2
LX
R1904
15K
R1902
47K
R1903
0
7
AVIN
5
FB
C1903
1u
R1905
0
11
L2
9
PVIN
C1906
10/6.3
10
L1
4
NC
8
GND
XCL212B082DR
U1902
1
NC
3
LX
C1916
1200P
C1914
10/16
C1918
22/6.3
6
CE
2
LX
R1916
15K
R1914
6.2K
R1915
6.2K
7
AVIN
5
FB
C1915
1u
R1917
15K
11
L2
9
PVIN
C1917
10/6.3
10
L1
4
NC
C1942
1u
5
FB
9
PVIN
C1945
22/6.3
R1936
15K
2
LX
7
AVIN
8
GND
C1941
10/16
C1943
1200P
6
CE
11
L2
4
NC
10
L1
3
LX
R1935
6.2K
R1937
15K
C1944
10/6.3
XCL212B082DR
U1906
1
NC
R1934
6.2K
C7013
10/6.3
DA+5V
VCOM
-
-
Z2NETADC_64fs
Z2NETADC_DATA
Z2NETADC_256fs
Z2NETADC_fs
DACGND
C7027
10/6.3
C7029
10/6.3
C7028
0.1
DA3.3V
-
COAX2
OPT1
-
OPT2
COAX1
-
-
Z2DIRfs
Z3DIRAUDIO
Z2DIRDATA
Z2DIRERR
MAINDIR64fs
Z3DIRERR
Z3DIRDEMP
Z2DIR256fs
MAINDIRAUDIO
Z3DIRDATA
MAINDIRERR
Z2DIRAUDIO
Z3DIR64fs
MAINDIRDATA
Z3DIRfs
Z3DIR256fs
Z2DIRDEMP
-
MAINDIR256fs
MAINDIRfs
Z2DIR64fs
MAINDIR_XIN
-
RXSPDIF/DSD0
Z2_SPDIF
-
BCOSPDIF
-
NET_SPDIFOUT
-
-
R7048
33
DA_POWER2
OPEN
R1906
0
R9225
R9226
OPEN
220/6.3
C9509
OPEN.C9516
OPEN.C9517
OPEN
C1924
OPEN
C1925
OPEN
C1926
220/6.3
C9518
0.1
C7011
10K
R7026
OPEN
C1905
220/6.3
C1908
Z2DIR_SPDIF
Z2DIR256fs
Z2DIR64fs
Z3DIR64fs
Z3DIR_SPDIF
Z2DIRDATA
Z2DIRfs
Z2DIRERR
Z2DIRAUDIO
Z3DIRfs
Z3DIRDATA
Z3DIRAUDIO
MAINDIRERR
MAINDIR_XIN
MAINDIR_CE
MAINDIR_CLK
MAINDIRAUDIO
Z3DIRERR
MAINDIR_DIN
MAINDIR_DOUT
Z3DIRDEMP
Z2DIRDEMP
OPT1
OPT2
Z2_SPDIF
COAX2
NET_SPDIF
COAX1
MAINDIR64fs
MAINDIR256fs
MAINDIRDATA
MAINDIRfs
Z2DIR_SPDIF
Z3DIR_SPDIF
MAINDIR_RST
MAINDIR_CE
MAINDIR_DOUT
MAINDIR_DIN
MAINDIR_CLK
MAINDIR_RST
DA_POWER1
Z3DIR256fs
COAX2
COAX1
OPT1
OPT2
Z3DIR64fs
MAINDIR64fs
MAINDIR256fs
MAINDIRDATA
MAINDIRfs
MAINDIRERR
MAINDIRAUDIO
Z2DIRfs
MAINDIR_XIN
Z2DIRDEMP
Z2DIRAUDIO
Z2DIR256fs
Z2DIR64fs
Z2DIRERR
Z3DIR256fs
Z3DIRAUDIO
Z2DIRDATA
Z3DIRERR
Z3DIRDATA
Z3DIRDEMP
Z3DIRfs
RXSPDIF/DSD0
Z2_SPDIF
DA_POWER1
DA_POWER2
DA_POWER2
RXSPDIF/DSD0
NET_SPDIF
DIR/DA SUPPLY
ZONE2
ZONE3
TO DSP4
TO 8U-310215(9/19)
TO 8U-310215(8/19)
TO DSP3
TO DSP2
TO 8U-310215(7/19)
TO 8U-310215(6/19)
TO DSP1
TO
AUDIO
PLD
TO CONNECT
TO 8U-310215(1/19)
DA3.3V
TO 8U-310215(2/19)
TO CPU
TO 8U-310215(4/19)
TO AUDIOPLD
ADI:DSP1.1V-1
TO CONNECT
TO 8U-310215(1/19)
TO HDMI TX
TO 8U-310215(17/19) TO 8U-310215(13/19)
TO HDMI SW1
TO
NET MODULE
CONNECT
TO 8U-310215(18/19)
TO 8U-310215(19/19)
TO CY920
TO 8U-310215(4/19)
ADI:DSP1.1V-2
CH1: DIRDATA
CH2: DIRLRCK
CH3: DIRBCK
2
DIR output
CH1:RXIN
1
DIR input
0A
TO A0
5A
TO A5
7B
TO B7
8B
TO B8
8C
TO C8
7D
TO D7
8D
TO D8
3E
TO E3
E5
TO 5E
E6
TO 6E
E7
TO 7E
E8
TO 8E
E9
TO 9E
7H
TO H7
14
Caution in
servicing
Electrical Mechanical Repair Information Updating

Other manuals for Denon AVR-X6300H

Related product manuals