EasyManua.ls Logo

Denon AVR-X6300H - Page 56

Denon AVR-X6300H
193 pages
To Next Page IconTo Next Page
To Next Page IconTo Next Page
To Previous Page IconTo Previous Page
To Previous Page IconTo Previous Page
Loading...
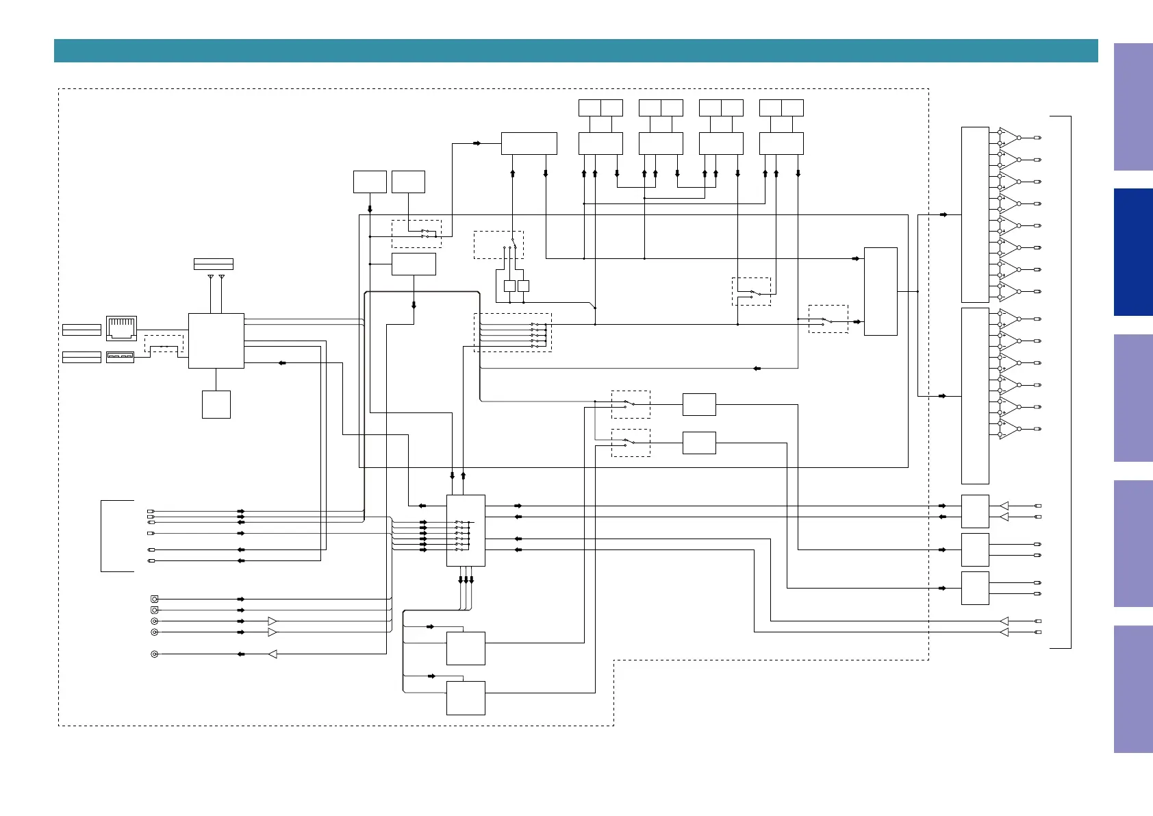
DIGITAL AUDIO DIAGRAM
SDATA
Z2_SPDIF
S2I_RID3ZFIDPS_3Z
SPDIF_Z2HDMI
I2S/DSD_HDMIRX
SPDIF_HDMIRX
Z3DAC_I2S
Z3DAC_I2S
Z2DAC_I2S
Z2DAC_I2S
I2S_HDMIRX
DSD_HDMIRX
I2S_LEGO
DSD_LEGO
I2S_HDMITX
I2S_LEGO
Z2DIR_I2S
I2S_HDMITX
SPDIF_HDMIRX
OPT2
OPT1
COAX2
COAX1
SPDIF_Z2HDMI
CLK
DIR_I2S
ADCCLK
DSP1_IN_LRCK
DSP1_IN
COAX2
COAX1
OPT1
OPT2
LEGO_VBUSdata(R:8bit/B:8bit/G:8bit)
LEGO_VideoSignal(Clock/HS/VS/DE)
DSD_LEGO
I2S_LEGO
CLK
DLHD
DLHD
REFCLK
Z2_SPDIF
Z3_SPDIF
CLK
Z2NET_I2S
Z2NET_I2S
PLLOUT
I2S/DSD_HDMIRX
INPUT
SPDIF_HDMIRX
INPUT
I2S_HDMITX
OUTPUT
COAX1
COAX2
OPT1
OPT2
SPDIF_Z2HDMI
INPUT
ADIN_FL
INPUT
ADIN_FR
INPUT
Z2DA_L
OUTPUT
Z2DA_R
OUTPUT
Z3DA_L
OUTPUT
Z3DA_R
OUTPUT
1 2
1 2
1 2
1 2
1 2
DENONLinkHD
7
6
5
7
6
5
7
6
5
7
6
5
1
3
2
1
3
2
1
3
2
1
3
2
1
3
2
7
6
5
1
3
2
7
6
5
1
3
2
7
6
5
DA_H2R
OUTPUT
DA_H2L
OUTPUT
DA_H1R
OUTPUT
DA_H1L
OUTPUT
DA_SBR
OUTPUT
DA_SBL
OUTPUT
DA_SR
OUTPUT
DA_SL
OUTPUT
DA_RSV
OUTPUT
DA_SW2
OUTPUT
DA_SW1
OUTPUT
DA_C
OUTPUT
DA_FR
OUTPUT
DA_FL
OUTPUT
1
2
3
1
2
3
1
2
3
LEGO_VideoSignal(Clock/HS/VS/DE)
OUTPUT
LEGO_VBUSdata(R:8bit/B:8bit/G:8bit)
OUTPUT
1
2
3
Z2NET_ADCINL
INPUT
Z2NET_ADCINR
INPUT
DENON Link HD
Generator Module
ZONE2
Mute Logic
ZONE3
Mute Logic
1/2
Div.
1/4
Div.
1st DSP
78412-PSDA78412-PSDA
3rd DS P
ADSP-21487
4th DS P
Main ZONE
Mute Logic
Jitter Reducer PLL
CS2100
Main DIR
PCM9211
LC89091JA
ZONE2 DIR
LC89091JA
ZONE3 DIR
DSP1 INPUT MUX
ZONE2 I2S MUX
ZONE3 I2S MUX
MAIN ADC
AK5358B
ZONE2 DAC
PCM5100
ZONE2 DAC
PCM5100
MAIN DAC1
AK4458
MAIN DAC2
AK4458
Audio PLD
5M570ZF256C5N
DSP3 INPUT MUX
DAC INPUT MUX
SDRAM FLASH FLASH HSALFMARDSMARDS
fs Assign Sel.
25.0MHz
FCXO-05
to VIDEO BLOCK
to ANALOG AUDIO BLOCK DIAGRAM
Ref clock Sel.
DIGITAL AUDIO BLOCK
FLASH
ADSP-21487
2nd DSP
SDRAM
Input
Coprocessor
Wired Network
Wireless Network
iPod
USB-A
(FRONT)
AVR-X6300
Netowrk Module
Input
Input
FCXO-05
24.576MHz
KLC_PSDKLC_PSD
ADC_CLK
SDATA
Z2NET_ADCINL
Z2NET_ADCINR
Z2NET_ADCINL
Z2NET_ADCINR
AVR-X6300H DIGITAL AUDIO/NETWORK BLOCK DIRAGRAM
56
Caution in
servicing
Electrical Mechanical Repair Information Updating

Other manuals for Denon AVR-X6300H

Related product manuals