EasyManua.ls Logo

Denon DHT-390XP - Page 77

Denon DHT-390XP
83 pages
Print Icon
To Next Page IconTo Next Page
To Next Page IconTo Next Page
To Previous Page IconTo Previous Page
To Previous Page IconTo Previous Page
Loading...
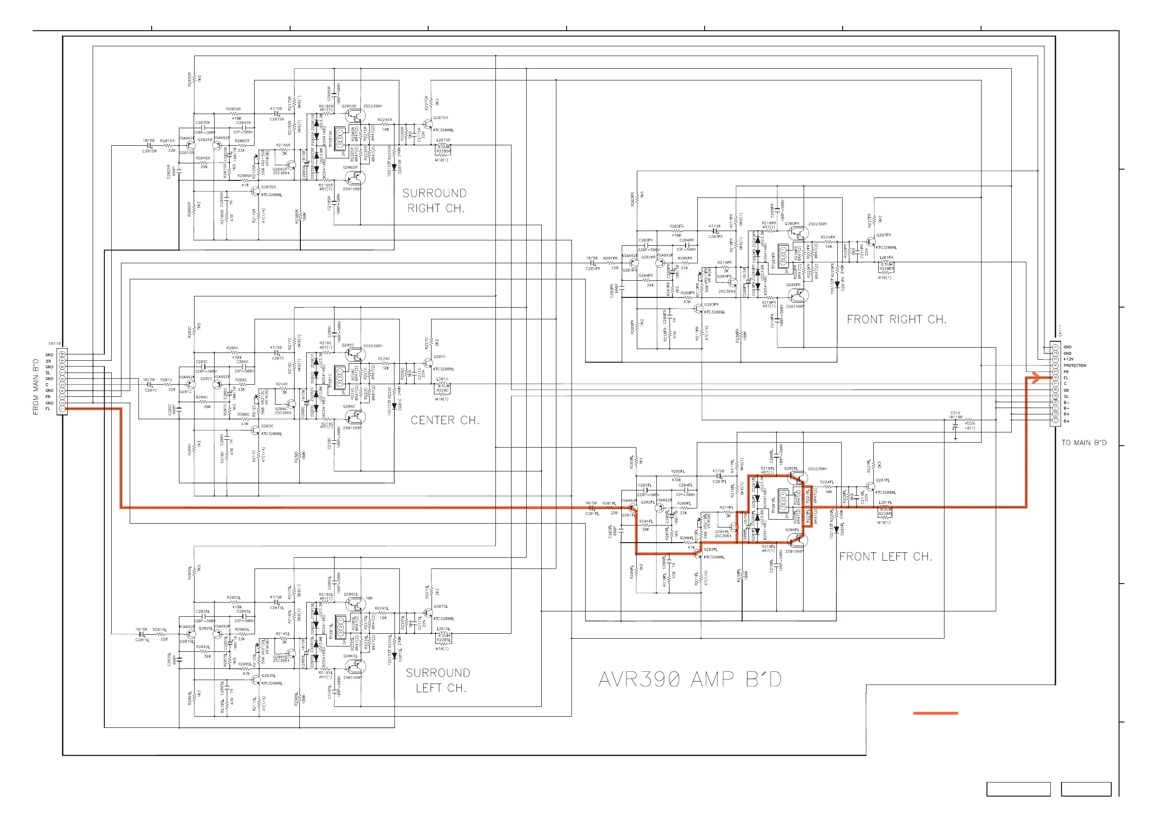
Analog Audio SIGNAL LINE
87654321
A
B
C
D
E
F
AVR-390DHT-390XP
SCHEMATIC DIAGRAMS (1/7)
AMP UNIT

Related product manuals