EasyManua.ls Logo

Denon DVD-A11 - TSB41 AB2 IC Pin Description

Denon DVD-A11
172 pages
Print Icon
To Next Page IconTo Next Page
To Next Page IconTo Next Page
To Previous Page IconTo Previous Page
To Previous Page IconTo Previous Page
Loading...
72
72
DVD-5900/DVD-A11
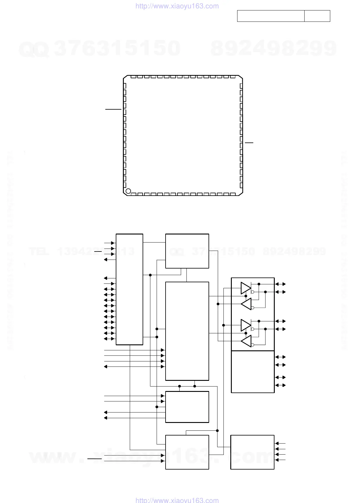
TSB41AB2 (IE: IC111))
12 3
AGND
AV
DD
AV
DD
SM
SE
TESTM
DV
DD
DV
DD
CPS
ISO
PC2
PC1
PC0
C/LKON
DGND
DGND
32
31
30
29
28
27
26
25
24
23
22
21
20
19
18
17
4
49
50
51
52
53
54
55
56
57
58
59
60
61
62
63
64
AGND
AGND
AV
DD
AV
DD
RESET
FILTER0
FILTER1
PLLV
DD
PLLGND
PLLGND
XI
XO
DV
DD
DV
DD
DGND
DGND
5678
TPB0–
TPBIAS0
47 46 45 44 4348 42
TPA1+
TPA1–
TPB1+
TPB1–
AV
R1
R0
D4
D5
D6
D7
CNA
CTL0
CTL1
D0
D1
D2
D3
40 39 3841
910111213
37 36
LREQ
TPA0+
TPA0–
35 34 33
14 15 16
PD
LPS
NC
TPB0+
AGND
AGND
AGND
TPBIAS1
SYSCLK
PAP PACKAGE
(TOP VIEW)
DD
TSB41AB2
block diagram
Received Data
Decoder/Retimer
Link
Interface
I/O
Arbitration
and Control
State Machine
Logic
Bias Voltage
and
Current
Generator
Transmit Data
Encoder
Cable Port 0
Crystal
Oscillator,
PLL System,
and Clock
Generator
TPA0+
CPS
TPA0–
TPB0+
TPB0–
XI
XO
FILTER0
FILTER1
LPS
ISO
CNA
SYSCLK
LREQ
CTL0
CTL1
D0
D1
D2
D3
D4
D5
D6
D7
PC0
PC1
PC2
C/LKON
R0
R1
TPBIAS0
PD
RESET
TPBIAS1
Cable Port 1
TPA1+
TPA1–
TPB1+
TPB1–
w
w
w
.
x
i
a
o
y
u
1
6
3
.
c
o
m
Q
Q
3
7
6
3
1
5
1
5
0
9
9
2
8
9
4
2
9
8
T
E
L
1
3
9
4
2
2
9
6
5
1
3
9
9
2
8
9
4
2
9
8
0
5
1
5
1
3
6
7
3
Q
Q
TEL 13942296513 QQ 376315150 892498299
TEL 13942296513 QQ 376315150 892498299
http://www.xiaoyu163.com
http://www.xiaoyu163.com

Table of Contents