EasyManua.ls Logo

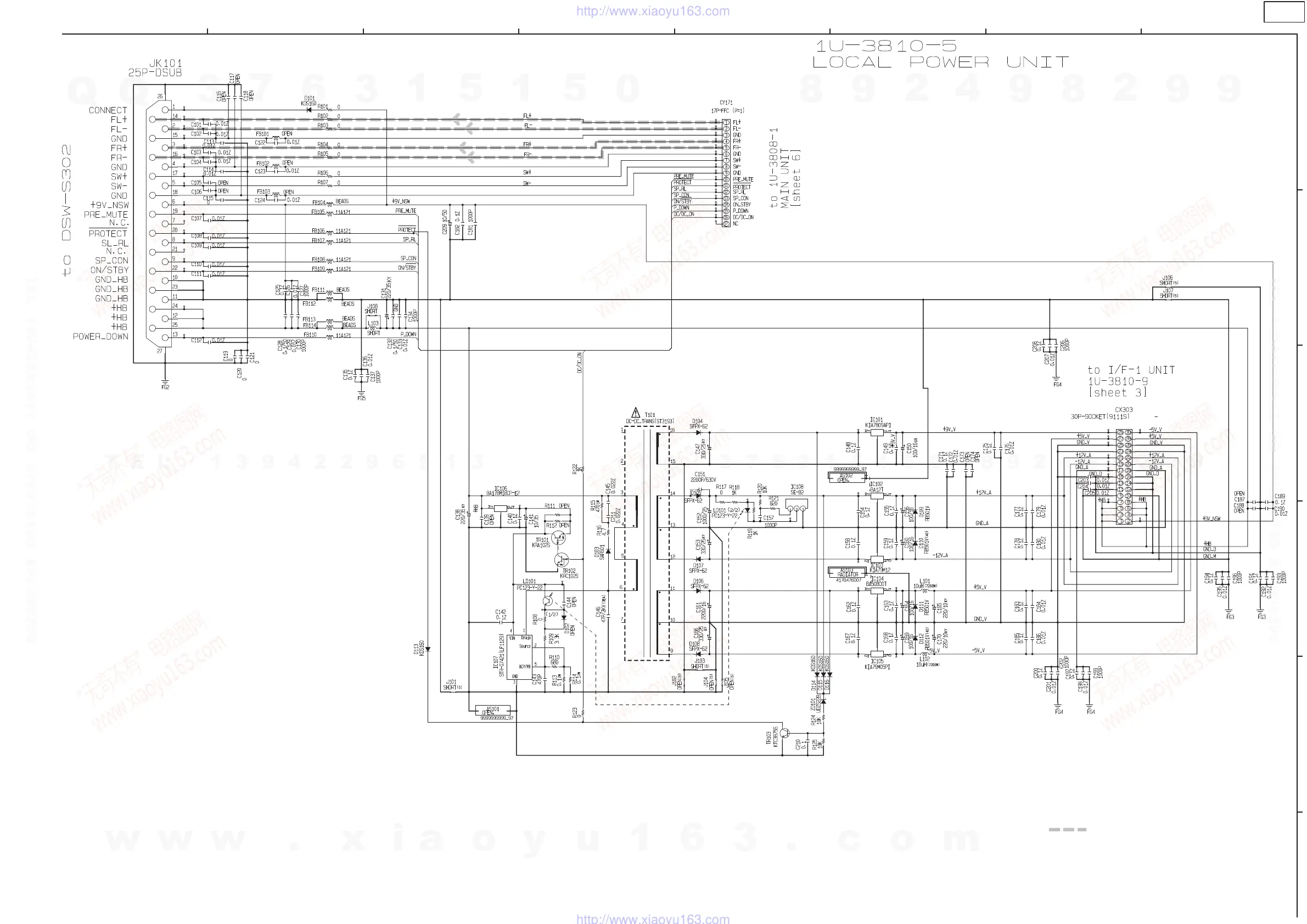
Denon S-302 - (17;25)1 U-3810-5 LOCAL POWER UNIT

Denon S-302
155 pages
Print Icon
To Next Page IconTo Next Page
To Next Page IconTo Next Page
To Previous Page IconTo Previous Page
To Previous Page IconTo Previous Page
Loading...
AUDIO SIGNAL LINE
PROGRESSIVE VIDEO SIGNAL LINE
INTERLACE VIDEO SIGNAL LINE
87654321
A
B
C
D
E
F
SCHEMATIC DIAGRAMS (17/25)
SIGNAL LINE
SCHEMATIC DIAGRAMS (17/25)
1U-3810-5 LOCAL POWER UNIT
S-302
w
w
w
.
x
i
a
o
y
u
1
6
3
.
c
o
m
Q
Q
3
7
6
3
1
5
1
5
0
9
9
2
8
9
4
2
9
8
T
E
L
1
3
9
4
2
2
9
6
5
1
3
9
9
2
8
9
4
2
9
8
0
5
1
5
1
3
6
7
3
Q
Q
TEL 13942296513 QQ 376315150 892498299
TEL 13942296513 QQ 376315150 892498299
http://www.xiaoyu163.com
http://www.xiaoyu163.com

Table of Contents

Other manuals for Denon S-302

Related product manuals